![]() |
|
| Appunti informatica |
|
| Visite: 1950 | Gradito: |
Leggi anche appunti:Programmazione e controlloPROGRAMMAZIONE E CONTROLLO concetto d'azienda L'azienda è un sistema Tesina informatica - Operazioni aritmetiche a 64bit per ARMtesina Operazioni aritmetiche a 64bit per ARM 1. Specifiche di progetto Il Le reti di computerLE RETI DI COMPUTER Nel ventesimo secolo abbiamo notato la notevole diffusione |
![]() |
![]() |
UNIVERSITA' DEGLI STUDI DI
NAPOLI FEDERICO II
Facoltà di Ingegneria
Corso di laurea in Ingegneria Informatica
IMPIANTO PER
CAPITOLO I
-Specifiche-
Il capitolo seguente ha come oggetto di discussione le specifiche di controllo e funzionamento richieste sul sistema di immagazzinamento.
IMPIANTO PER

1.1 Impianto
In una linea per il montaggio di apparecchiature si trova un magazzino intermedio che al massimo può accettare 30 pezzi. I pezzi vengono inviati al magazzino mediante il nastro trasportatore 1 e prelevati mediante il nastro trasportatore 2 che viene attivato a seconda delle esigenze della linea di montaggio.
Controllo del contenuto del magazzino
L'entrata e l'uscita dei pezzi viene controllata mediante due fotocellule (rispettivamente B1 e B2). I segnali provenienti dalle due fotocellule vengono inviati ad un contatore.
Se all'inizio del turno il magazzino è vuoto, il contatore può essere azzerato premendo S1.
Con i pulsanti S2 e S3 invece si provoca la partenza e l'arresto del nastro trasportatore 1.
Prevedere inoltre il relè termico F1, a protezione del motore M1, in grado di fermare il nastro trasportatore 1.
Le lampade di segnalazione H2,H3,H4 dovranno indicare le condizioni sopracitate.
Controllo della capacità massima del magazzino
Se nel magazzino si trovano 30 pezzi vuole dire che si è raggiunta la capienza massima. Il motore (M1) del nastro trasportatore 1 si deve immediatamente fermare e una lampada di segnalazione H5 si deve accendere (magazzino pieno).
Controllo sulla capienza minima
Se nel magazzino vi si trova un numero uguale o inferiore a 10 pezzi, si deve segnalare lo stato mediante una lampada H6 e si deve avviare il motore M1.
Mediante il pulsante di emergenza S4 si deve poter fermare l'impianto in qualsiasi momento, tale stato deve essere segnalato mediante una lampada H1.
1.2 Caratteristiche dell' impianto
Il Sistema comprende
2 segali provenienti dalle fotocellule in ingresso e uscita dal magazzino (variabili B1 e B2 )
6 segnali legati ai pulsanti di cui uno per cessare il ciclo di lavoro (variabile S0-aggiunta alle specifiche), un pulsante per resettare il contatore ( variabile S1), due pulsanti per la gestione dell' attivazione/arresto del nastro trasportatore 1 (variabili S2 e S3), un pulsante di emergenza (variabile S4) e un pulsante che riporti, dopo un emergenza, il sistema in fase di funzionamento normale (variabile RESET-aggiunta alle specifiche)
1 segnale proveniente dal relè termico a protezione del motore (variabile F1)
1 contatore per il conteggio del numero dei pezzi contenuti nel magazzino
1 comando di attuazione per il motore del nastro trasportatore 1 (variabile M1)
6 comandi di attuazione per l'attivazione di altrettante lampade che indicano rispettivamente: emergenza (variabile H1), nastro trasportatore 1 attivo/fermo (variabile H2,H3), surriscaldamento motore (variabile H4),magazzino pieno (variabile H5) e quantitativo pezzi nel magazzino inferiore o uguale a dieci (variabile H6).
|
INPUT DI CONTROLLO - PULSANTI |
SIMBOLO |
|
Fine ciclo di lavoro (aggiunta alle specifiche) |
S0 |
|
Reset del Contatore |
S1 |
|
Avvio Nastro Trasportatore1 |
S2 |
|
Arresto Nastro Trasportatore1 |
S3 |
|
Arresto di emergenza |
S4 |
|
Riattivazione impianto dopo emergenza (aggiunta alle specifiche) |
RESET |
|
INPUT DI CONTROLLO - SENSORI |
SIMBOLO |
|
Fotocellula di ingresso magazzino |
B1 |
|
Fotocellula di uscita magazzino |
B2 |
|
Relè Termico |
F1 |
|
OUTPUT |
SIMBOLO |
|
Lampada segnalazione di emergenza |
H1 |
|
Lampada di Nastro trasportatore 1 ATTIVO |
H2 |
|
Lampada di Nastro trasportatore 1 FERMO |
H3 |
|
Lampada segnalazione surriscaldamento motore |
H4 |
|
Lampada segnalazione magazzino pieno |
H5 |
|
Lampada segnalazione quantitativo pezzi inferiore o uguale a 10 |
H6 |
|
Motore Nastro Trasportatore 1 |
M1 |
CAPITOLO II
-Linguaggio SFC-
Nel capitolo sono presentati i sei SFC per il controllo logico-sequenziale del magazzino con relativa descrizione delle scelte fatte per la gestione del ciclo di lavoro.
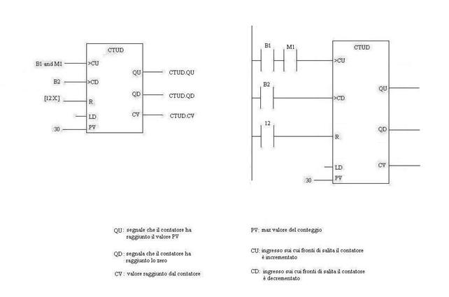
2.1 Contatore Bidirezionale
Le informazioni sul contenuto del magazzino ci sono fornite da un contatore bidirezionale.
Il decremento o l'incremento di questo avviene ad opera dei segnali inviati dalle fotocellule B1 e B2 che si trovano rispettivamente all'entrata ed all'uscita del magazzino.
La capienza massima del magazzino è fissata a 30 pezzi.
L'incremento del magazzino avviene solo a motore acceso per evitare incrementi indesiderati.
Il reset, come si può vedere dall'immagine, avviene quando risulta attiva la fase 12.

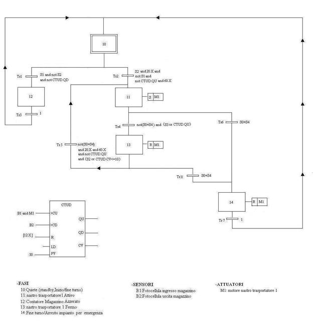
2.2 Descrizione SFC 1
L' SFC 1 si dedica alla gestione del motore del nastro trasportatore 1 e del contatore associato al magazzino.
All'inizio dell'ipotetico turno di lavoro l'SFC1 si trova nella fase 10 di quiete (iniziofine turno), tale fase può essere superata ad opera dei pulanti S1 o S2.
La pressione di S1 provoca l'azzeramento del contatore CTUD (attivazione fase 12). Come si può notare osservando l'espressione della transizione Tr1, tale operazione non può essere compiuta se CTUD.QD risulta valere true (1) in quanto il contatore già risulta azzerato. E' da notare che l'unica indicazione sul contenuto del magazzino ci è data dal contatore, se è necessario azzerare il contatore vuol dire che il magazzino deve essere stato svuotato manualmente. La transizione Tr3 è sempre verificata, la fase 12 si disattiva e ritorna ad essere attiva la fase 10.
L'azzeramento del contatore come da specifiche può avvenire solo ad inizio turno.
L'
inizio del ciclo effettivo di lavoro viene sancito dal superamento della
transizione Tr2. Tale transizione risulta vera quando viene premuto il pulsante
S2 e le fasi 20 e 60 risultano attive (20:funzionamento corretto del motore;60:funzionamento
corretto dell' impianto) e il magazzino non risulta pieno (CTUD.QU vale 0). La
fase 11, infatti, è inaccessibile se il
sensore F1 (relè termico) segnala il surriscaldamento del motore M1 oppure se l'impianto
risulta trovarsi in fase di emergenza (fase 61). Tale fase mette in moto il
motore M1 e se ho presenza di pezzi sul nastro naturalmente essi passando per
la fotocellula B1 incrementano il contatore (è previsto che l'incremento del
contatore non possa avvenire a motore spento). La fase 11 si disattiva quando
viene premuto il tasto S3 oppure quando il magazzino risulta pieno, infatti, la
transizione Tr4 è verificata solo in tali circostanze. La fase attivata da Tr4
è la
Naturalmente per l'attivazione del motore M1 devono essere sempre attive le fasi 20 e 60 come previsto dalla transizione Tr4.
Sia dalla fase 11 che 12 premendo i tasti S0 o S4 è possibile fermare l'impianto. Le transizioni Tr6 e Tr8 hanno la priorità rispettivamente su Tr4 e Tr5. Il sistema, infatti, dopo aver premuto S0 o S4 si riporta con priorità assoluta alla fase 10 dopo l'attivazione della fase 14 in cui viene spento il motore. I due pulsanti essenzialmente portano all'attivazione della stessa fase e all'esecuzione della stessa azione ma per scopi completamente diversi. S0 è il pulsante di fine turno o giornata di lavoro mentre S4 provoca l'arresto del ciclo di lavoro dovuto all'insorgere di un emergenza. La scelta di far convergere entrambe le condizioni in un'unica fase è dovuta alla volontà di non avere fasi ridondanti.
La pressione di S4 oltre a fermare il motore porta l'impianto in una fase di emergenza che può essere superata solo se si spinge il pulsante RESET come meglio descritto nell' SFC 6.

2.3 Descrizione SFC 2
L'SFC 2 è progettato per la gestione dell'arresto del magazzino nel caso in cui il sensore F1 rilevi un surriscaldamento del motore M1.
E' previsto che il ciclo di lavoro venga sospeso per poi riprendere normalmente (sensore F1 permettendo).
Quando la fase 20 è attiva (20.X vale 1) la fase 11 è accessibile.
Quando il sensore F1 rileva surriscaldamento, il motore M1 viene resettato e inoltre viene accesa una lampada H4 che avverte dell'anomalia (fase 21).
Si resta in tal fase fin quando il motore non è ritornato a temperatura regolare. A questo punto se la fase 11 dell' SFC1 è attiva (11.X vale 1) la fase 22 riattiva il motore e ad opera della transizione Tr12 si ritorna in fase 20 . Viceversa viene riattivata soltanto la fase 20 tramite la transizione Tr10.

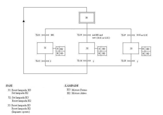
2.4 Descrizione SFC 3
L'SFC 3 si dedica alla gestione delle lampade di segnalazione H2 ,motore Acceso, e H3 ,motore spento. Il funzionamento dell' SFC è abbastanza semplice, esso infatti controlla in maniera ciclica se il motore del nastro trasportatore (M1) è attivo o meno segnalando tale stato con le relative lampade.
Se il motore è acceso la transizione Tr13 viene scavalca e attivata la fase 31 che prevede Reset di H3 e Set di H2. Viceversa se il motore è spento (not M1) viene superata la transizione Tr14 è attivata la fase 32 che setta H3 e resetta H2.
Se SFC1 risulta in fase 10 oppure in fase 12 le lampade sono entrambe resettate in quanto il ciclo di lavoro non è iniziato o risulta sospeso.
Sia le fasi 31,32 e 33 vengono disattivate quasi istantaneamente in quanto sia la transizione Tr15 che Tr16 nonché Tr28 sono sempre verificate.
Le transizioni Tr13 e Tr27 risultano essere mutuamente esclusive in quanto il motore risulta attivo solo in fase 11.

2.5 Descrizione SFC 4
L' SFC 4 gestisce il funzionamento della lampada H5 che segnala se il magazzino è pieno.
Il funzionamento dell' SFC è basato sul controllo ciclico della variabile CTUD.QU che segnala se il contatore bidirezionale ha raggiunto o meno il valore massimo di 30 pezzi e di conseguenza attraverso le fasi 42 o 41 setta o resetta la lampada H5.
La
transizione Tr17 viene superata se CTUD.QU risulta falsa, viceversa
Per l'attivazione della fase 42 le fasi 10 e 12 dell' SFC1 devono risultare disattive (fasi che indicano ciclo di lavoro sospeso) , viceversa per la 41.
Sia la fase 41 che 42 vengono disattivate quasi istantaneamente in quanto sia la transizione Tr19 che Tr20 sono sempre verificate.

2.6 Descrizione SFC 5
L' SFC 5 gestisce la lampada H6 segnalante la presenza di un numero minore o uguale a 10 pezzi nel magazzino.
In effetti l'SFC verifica il quantitativo di pezzi nel magazzino
La variabile utilizzata per tale controllo è CTUD.CV. che segnala il numero di pezzi che il contatore bidirezionale ha percepito entrare ed uscire attraverso i sensori B1 e B2.
La fase 51 attivata dopo il superamento della transizione Tr21 (CTUD.CV<=10) porta in set la lampada H6 mentre la fase 52, attivata col superamento della transizione Tr22 (not CTUD.CV<=10), resetta la lampada.
Per il superamento della Tr21 le fasi 10 e 12 dell' SFC1 devono risultare disattive (fasi che indicano ciclo di lavoro sospeso), viceversa Tr22.
Sia la fase 51 che 52 vengono disattivate quasi istantaneamente in quanto sia la transizione Tr23 che Tr24 sono sempre verificate

2.7 Descrizione SFC 6
L'SFC 6 è programmato per gestire la lampada H1 che avverte dello stato di Emergenza del sistema e blocca l'impianto fin quando non viene premuto il pulsante di RESET.
La fase 60 quando è attiva segnala che il sistema funziona correttamente e che l'ipotetico ciclo di lavoro può proseguire normalmente. Quando tale fase viene disattivata, ad opera della transizione Tr25, ovvero quando viene premuto S4 il pulsante di emergenza, l'SFC si porta nella fase 61 che prevede l'accensione della lampada H1.
Quando la fase 61 è attivata il ciclo di lavoro non può essere ripreso.
Essa è superabile, a emergenza rientrata, solo con la pressione del tasto RESET

2.8 Conclusioni e osservazioni
E' da notare che l'impianto una volta avviato risulta essere completamente autonomo.
Infatti esso si arresta da solo, quando opportuno (magazzino pieno), e si riattiva da solo ( numero di pezzi inferiore o uguale a 10). Inoltre c'è da ricordare che il nastro trasportatore 2 non è controllabile dal magazzino intermedio. Esso viene attivato in base alle necessità della catena di montaggio.
I pulsanti S0,S1,S2,S3,S4 assumono valore 1 (true) in tutto quell'arco di tempo in cui sono premuti.
Non resta che tradurre gli SFC in ladder (linguaggio a contatti).
CAPITOLO III
-Traduzione in LADDER-
3.1 Sezione di inizializzazione

3.2 Sezione di valutazione delle transizioni


3.3 Sezione aggiornamento delle condizioni




3.4 Sezione di valutazione delle azioni

![]() |
| Appunti su: |
|