![]() |
|
| Appunti informatica |
|
| Visite: 2920 | Gradito: |
Leggi anche appunti:Funzione espoFUNZIONE ESPO Scopo: la funzione calcola ex, nel caso in cui x è negativo Il sistema informativo aziendaleIL SISTEMA INFORMATIVO AZIENDALE L'attività organizzativa e gestionale dell'impresa La velocità: una misura difficileLa velocità: una misura difficile Cosa vuoi dire che un processare è migliore |
![]() |
![]() |
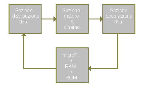
SCHEMA A BLOCCHI
Per descrivere il funzionamento del sistema di controllo della velocità a microprocessore bisogna partire da questo schema a blocchi di principio che divide il sistema in quattro blocchi principali.

Per la descrizione dei singoli blocchi si rimanda alle seguenti sezioni:
Sezione distribuzione dati
Sezione acquisizione dati
Sezione Motore & Dinamo
Sezione Microprocessore
SEZIONE DISTRIBUZIONE DATI
La sezione di distribuzione dati provvede ad inviare il segnale di comando al motore infatti, converte in analogico il dato di controllo digitale in uscita dal microprocessore.
Il convertitore utilizzato è un DAC0808 che fornisce in uscita una corrente proporzionale al dato digitale presente in ingresso.
Dal momento che il motore è comandato dalla tensione di armatura Va, il segnale fornito dal DAC deve essere convertito in tensione da un opportuno convertitore I/V.
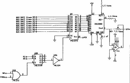
Per l'interfacciamento del microprocessore al DAC bisogna utilizzare un latch che viene abilitato da una sezione di decodifica indirizzi.
Lo schema a blocchi relativo alla sezione DAC è il seguente:

Per l'implementazione su bread board si faccia riferimento allo schema elettrico:

SEZIONE ACQUISIZIONE DATI
La sezione di acquisizione dati deve rilevare la velocità del motore e deve fornire, tale dato al microprocessore.
Per rilevare la velocità angolare del motore si fa uso di un particolare trasduttore denominato DINAMO TACHIMETRICA.
Visto che il segnale da controllare è analogico, questo deve essere convertito in digitale per essere acquisito dal microprocessore; assolve a questa operazione un convertitore analogico digitale DAC0808.
I segnali che gestiscono l'acquisizione, quali STC e OE, vengono gestiti via software ed indirizzati tramite un'apposita sezione decoder.
Il segnale fornito dalla dinamo tachimetrica è generalmente un segnale che va al di fuori del range di ingresso dell'ADC, per cui viene condizionato tramite un attenuatore.
Lo schema a blocchi di questa sezione è il seguente:

Per l'implemenatzione di questa sezione su bread board si faccia riferimento allo schema elettrico:

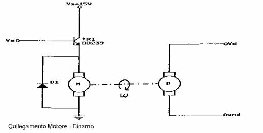
SEZIOME MOTORE & DINAMO
In questa sezione è racchiuso il sistema da controllare, cioè il motore in corrente continua a magnete permanente; il trasduttore di velocità angolare, cioè la dinamo tachiemtrica e, il dispositivo utilizzato per generare il disturbo sul sistema.

Anche per questa sezione è previsto uno schema elettrico di montaggio.
In questo schema elettrico è riportato il collegamento motore - dinamo nonchè la realizzazione del disturbo al sistema.

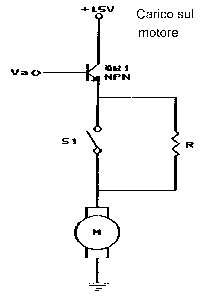
Per quanto riguarda il disturbo al sistema, questo viene realizzato limitanto la tensione di armatura tramite una resistenza così da diminurure la tensione fornita al motore.
La resistenza deve essere collegata al motore nel seguente modo:
|
S1 aperto: carico abilitato - disturbo inserito |
|
S2 chiuso: carico disabilitato - disturbo disinserito. |

SEZIONE MICROPROCESSORE
Caratteristiche di base della scheda didattica MCZ80/EV
Si tratta del MICROCOMPUTER TRAINER mod. MCZ80/EV prodotto dalla ELETTRONICA VENETA.
Le caratteristiche tecniche principali del sistema sono:
Caratteristiche principali del sistema di sviluppo Software
E' disponibile un programma CROSS-ASSEMBLER per l'assemblaggio di sorgenti in codice Assembly Z80 su PC compatibili. Si tratta di un MACRO-ASSEMBLER che consente la definizione di moduli rilocabili.
Un programma LINKER consente di linkare i moduli rilocabili.
E' presente un programma (UP_LOAD) che consente la comunicazione seriale con la scheda a microprocessore per il trasferimento di programmi in RAM.
Si dispone inoltre di un programma di SIMULAZIONE SW per microprocessore che consente di editare, assemblare, eseguire programmi in simulazione.
![]() |
| Appunti su: schema a blocchi funzionale monitor multiparametrico, dinamo tachimetrica schema, |
|