![]() |
|
| Appunti scientifiche |
|
| Visite: 2722 | Gradito: |
Leggi anche appunti:Huygens: la teoria ondulatoria della luceHUYGENS: LA TEORIA ONDULATORIA DELLA LUCE Il fisico olandese Christian Huygens vide Paradosso di De SitterParadosso di De Sitter Consideriamo un sistema binario costituito da una Il moto armonico di una mollaIL MOTO ARMONICO DI UNA MOLLA Un corpo di massa m, attaccato a una molla |
![]() |
![]() |
Anelli ad aggancio di fase analogici
Schema generale
Il diagramma a blocchi di un semplice PLL è mostrato in Fig 1.1.

Figura 1. 1 Diagramma a blocchi di un PLL
Come si vede il PLL è costituito da 3 blocchi: il PED, il filtro d'anello e l'oscillatore controllato in tensione (VCO).
In linea di principio il funzionamento del PLL è piuttosto semplice: il PED attua un confronto tra la fase del segnale in ingresso e la fase di un oscillazione prodotta localmente, e fornisce una stima della differenza tra queste due fasi. Il filtro F(s) ha invece il compito di elaborare il segnale prodotto dal PED in modo da produrre un segnale adatto a pilotare il VCO che produce l'oscillazione locale di riferimento. Vediamo ora più in particolare come questo avviene.
Sia :
![]()
il
segnale in ingresso al PLL, con
lentamente variabile rispetto a
, cioè con
, e sia
![]()
il
segnale prodotto dal VCO. Senza perdere generalità possiamo assumere che
sia uguale per
entrambi i segnali, includendo ogni differenza tra le due pulsazioni nella
funzione
.
Per
chiarire questa affermazione prendiamo il caso in cui la fase sia costante e
abbia una frequenza
angolare
. In questo caso :
.
Il compito del PED (phase error detector) è quello di generare un segnale proporzionale alla differenza di fase tra r(t) e s(t). Per questo scopo un PED largamente usato è quello moltiplicativo, per il quale vale la relazione :
.
Questo segnale, convoluto con la risposta impulsiva del filtro, fornisce la tensione che controlla il VCO:
![]()
Nel dominio di Laplace si ha:
![]()
con

La
frequenza del VCO è funzione del segnale errore in uscita dal filtro. Se
stacchiamo
dal VCO, questo genera
un segnale r(t) con frequenza angolare
, detta frequenza di riposo del VCO. Quando, invece, il
segnale errore viene applicato, la frequenza del VCO diventa
essendo
il fattore di guadagno
del VCO misurato in
. Dato che la frequenza è la derivata della fase possiamo
esprimere la legge che governa il funzionamento del VCO come segue:
![]()
Considerando
poi la definizione di
:
![]()
si ricava:

Ricordando
che
e che l'errore di fase
è definito come
abbiamo
![]()
![]()
ed infine
![]()
Lo schema a blocchi di un sistema che obbedisca a questa equazione dinamica è il seguente

Figura 1.2 Modello in banda base di un anello ad aggancio di fase
Lo schema di Fig 1.2 è equivalente a
quello di Fig 1.1, ed e lo schema in banda base del PLL . Al posto del PED c'è un
sommatore seguito da un blocco non-lineare che ne rappresenta la
caratteristica, in questo caso (rivelatore moltiplicativo)
Inoltre
il VCO è stato sostituito da un integratore ideale. E' interessante
notare che le variabili
e
appaiono
esplicitamente in questo modello mentre nello schema a blocchi del PLL esse
comparivano solo come argomenti di funzioni del tempo. Altro risultato
importante è che in questo modello non è presente la frequenza di riposo,
questo spiega perché lo schema sia detto in banda base del PLL. Come si può notare il modello adottato è
non-lineare, il che rende una trattazione matematica del sistema abbastanza
difficoltosa. L'approssimazione lineare dell'equazioni che regolano il
funzionamento del PLL ci fornisce un metodo d'analisi semplice e veloce.
1.2 Approssimazione lineare e funzione di trasferimento
Supponiamo
che il PLL sia a regime di funzionamento e che non ci siano disturbi, se è
dimensionato correttamente, è lecito aspettarsi che la fase stimata
sia molto vicina alla
fase in ingresso
. Sotto queste condizioni
rad per ogni istante
di tempo. In questo caso possiamo far uso dell' approssimazione

e quindi trascurare tutte le non-linearità. L'equazione linearizzata del PLL diventa quindi:

Si
può notare subito un limite dell'approssimazione lineare: durante la fase d'acquisizione,nella quale
viene portata dal suo
valore iniziale fino a
, nulla garantisce che
e che, quindi, il
modello lineare sia valido.
Nonostante questo alcune importanti caratteristiche del PLL possono essere facilmente ricavate dall'equazione linearizzata. Per analizzare un sistema lineare è conveniente spostarsi nel dominio di Laplace. Ammettendo l'esistenza delle trasformate:

e per
, possiamo riscrivere l'equazione del PLL :
![]()
Dalla quale si ricava facilmente la funzione di trasferimento dell'errore:

Il diagramma a blocchi che realizza questa equazione è illustrato in Fig 1.3

Figura 1.3 Modello linearizzato di un PLL.
Sostituendo
con
otteniamo la funzione di trasferimento ad anello chiuso:

dove
è la funzione di trasferimento ad anello aperto
e vale
![]()
Esiste
quasi sempre una differenza
tra la frequenza del
segnale e quella dell'oscillatore locale, dovuta, ad esempio, alle inevitabili
differenze esistenti tra l'oscillatore del trasmettitore e quello del
ricevitore, oppure alla frequenza Doppler. A causa di tutto questo, per
annullare completamente l'errore, come verrà spiegato in seguito, serve un PLL
del secondo ordine. Un PLL si dice del secondo ordine se la sua funzione di
trasferimento ad anello chiuso ha almeno due poli, il che implica che F(s) deve
avere almeno un polo. Dato che i PLL del secondo ordine sono di gran lunga i
più diffusi in pratica, limiteremo il nostro studio a questo caso, sebbene i
metodi usati valgano per i PLL di qualsiasi ordine. In Fig 1.4 sono elencate le
funzioni di trasferimento, le realizzazioni circuitali e i diagrammi di Bode di
due tra i più usati filtri d'anello, quello attivo e quello passivo. Il filtro
passivo è un filtro Passa-Basso con un polo in
, mentre quello attivo è un integratore perfetto, cioè sempre
un Passa-Basso, ma con un polo in zero, e la sua realizzazione circuitale
richiede la presenza di un amplificatore con un alto guadagno.

Figura 1.4 Filtro attivo e passivo
Oggi sono presenti in commercio e a basso costo ottimi amplificatori con piccolissimi offset e con correnti di drift quasi nulle, inoltre, nonostante il PLL con filtro attivo abbia prestazioni notevolmente migliori, è anche più semplice da studiare; per questo motivo il suo uso è da considerarsi la norma allo stato dell'arte e noi ci limiteremo a questo caso.
La funzione di trasferimento ad anello chiuso è:
|
Parametri del PLL con filtro attivo |
|
|
|
|
|
|
|
|
Tabella
Se usiamo le relazioni di tab. 1.1 possiamo riscrivere le funzioni di trasferimento del PLL nel seguente modo:

dove
è la frequenza naturale
del PLL, e
è l'elongazione. Anche
la funzioni di trasferimento dell'errore di fase può essere riscritta:
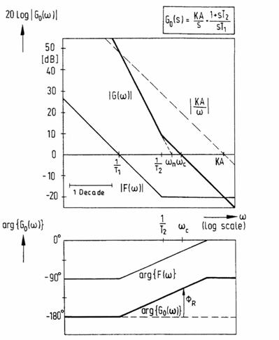
Di seguito è rappresentata l'approssimazione asintotica del diagramma di Bode della risposta in frequenza di un PLL del secondo ordine

Figura 1.5 Diagramma di Bode della risposta dell'anello con filtro attivo
La frequenza naturale
è la frequenza alla quale il prolungamento della linea con
pendenza -40 dB/dec attraversa
l'asse delle ascisse, mentre la frequenza di Crossover
(cioè la frequenza
alla quale il diagramma di Bode intercetta l'asse a 0 dB) è legata alla
frequenza naturale ed all'indice di smorzamento
dalle seguenti
relazioni:
![]()
In Fig 1.6 e 1.7 sono mostrate rispettivamente la funzione di trasferimento ad anello chiuso e quella per l'errore di fase di un PLL.

Figura 1.6 Funzione di trasferimento ad anello chiuso, modulo e fase

Figura 1.7 Funzione di trasferimento dell'errore di fase, modulo e fase
- Stabilità
Un requisito fondamentale per ogni sistema è la stabilità. Nel nostro caso vorremmo che il PLL risponda ad un segnale limitato in ingresso producendo in uscita un altro segnale limitato, cioè ci riferiremo alla stabilità in senso BIBO (bounded inbut bounded output).
Una condizione necessaria e sufficiente per la stabilità
BIBO dei sistemi lineari è che tutti i poli del sistema ad anello chiuso
giacciano nel semipiano sinistro del piano di Nyquist. E' utile osservare la
posizione dei poli di
come funzione di
per una data funzione
di trasferimento ad anello aperto
. La figura 1.8 mostra appunto la posizione sul piano di
Nyquist delle radici di un anello del secondo ordine.

Figura 1.8 Luogo delle radici di un anello del secondo ordine sul piano complesso
Un anello del secondo ordine risulta stabile per tutti i
valori di
. Nonostante questo risultato sia valido anche per un PLL del
primo ordine, non può comunque essere generalizzato a quelli di ordine superiore al secondo.
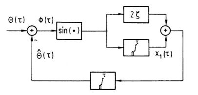
Descrizione mediante variabili di stato
Fino ad ora abbiamo mostrato una descrizione ingresso-uscita degli anelli ad aggancio di fase. In molti casi questa descrizione è sufficiente, potremmo però incontrare problemi qualora fossimo interessati ad una conoscenza più approfondita del funzionamento interno del PLL. In questo caso abbiamo bisogno di una descrizione mediante variabili di stato. Come prima cosa ricaviamo l'equazioni di stato per un PLL del secondo ordine. Partendo dallo schema a blocchi di Fig 1.2, e sostituendo f(t) con il diagramma a blocchi del filtro attivo otteniamo lo schema di Fig 1.9

Figura 1.9 Modello in banda base di un PLL ideale di secondo ordine, e relative variabili di stato
Possiamo quindi riscrivere l'equazione del PLL come:

Sostituendo
=
otteniamo:

Le
due variabile
e
sono le variabili di
stato. Questa non è l'unica scelta possibile, ma è sicuramente molto comoda.
Infatti a regime il valore di
è direttamente
proporzionale all'offset di frequenza
.
Per
spiegarlo prendiamo ad esempio il caso in cui
sia un gradino di
fase, cioè
![]()
Ammettiamo che, come è lecito aspettarsi, dopo un transitorio iniziale il sistema raggiunga un punto di equilibrio,in questo caso le variabili di stato non variano nel tempo e quindi:

Otteniamo quindi
![]()
Può essere utile
normalizzare il tempo e sostituire
con una variabile adimensionale:
e ![]()
Infine usando le relazioni di tabella 1.1 e la regola di calcolo
![]()
troviamo facilmente:

da queste formule si può risalire facilmente allo schema a blocchi di figura 1.10.

Figura 1.10 Modello banda base di un PLL ideale del secondo ordine, e variabili di stato normalizzate
Occorre
fare una precisazione:
e
sono stati prima
definiti sfruttando le proprietà di H(s), quindi valgono solo per il modello
lineare di PLL. Nonostante ciò, sono definite nello stesso modo nel modello
non-lineare, ma il loro significato fisico ha valore solo per il PLL lineare.
Guardando lo schema a blocchi di Fig 1.10 ci si rende conto dei vantaggi di
usare la normalizzazione. Inizialmente apparivano i parametri
,
,
, però queste costanti possono variare su diversi ordini di
grandezza, a seconda del campo di applicazione, e, quindi, la loro influenza
sul funzionamento del PLL non è di semplice interpretazione. Con la
normalizzazione l'unico parametro del PLL è l'elongazione
che varia all'interno
di un piccolo range, il che facilita notevolmente il progetto e lo studio dei
PLL.
Rumore additivo negli anelli ad aggancio di fase
In
questo paragrafo mostreremo il comportamento del PLL se il segnale al suo
ingresso è disturbato da un rumore additivo. Per ipotesi il processo di rumore
ha una densità spettrale simmetrica rispetto alla frequenza di riposo del PLL ,
, e nulla al di fuori della zona delimitata da
. Nella pratica queste condizioni sono ottenute filtrando il
segnale ricevuto con un filtro passa-banda.

Figura 1. Diagramma a blocchi di un PLL in presenza di rumore AWGN
Ammettiamo
che il canale di trasmissione aggiunga un processo di rumore bianco (AWGN) w(t)
al nostro segnale utile, ammettiamo, inoltre, che tale processo sia a media
nulla e abbia densità spettrale di potenza uguale a
su tutte le frequenze.
Il
segnale
, dopo il filtro Passa-Banda sarà:
![]()
con
.
Il processo di rumore n(t) sarà anche esso gaussiano a media nulla e avrà densità spettrale di potenza pari a

e la figura 1.12 ne rappresenta lo spettro.

Figura 1.12 Densità spettrale di potenza del processo n(t)
Il rumore può anche essere espresso tramite il suo inviluppo complesso come:
![]()
dove
,
e
sono la parte in fase
e in quadratura dell'inviluppo complesso del processo di rumore e sono anche
esse gaussiane bianche e a media nulla con densità spettrale pari a
.
Il
primo passo per comprendere il funzionamento del PLL in presenza di rumore è
quello di calcolare l'uscita del PED. Ammettiamo per il momento che il VCO sia
disconnesso dal rivelatore di fase e che la sua uscita sia sempre
. In questo caso l'uscita del PED è :

Il
primo termine dell'ultima parte dell'equazione rappresenta la caratteristica
sinusoidale del PED ed è la parte utile di x(t), può essere ottenuta
sperimentalmente ricercando la parte continua dell'uscita del rivelatore di
fase. Invece
è il disturbo a media
nulla che dovrebbe essere il più piccolo possibile per un buon funzionamento
del PLL. Per piccoli errori di fase possiamo approssimare
e quindi
![]()
Abbiamo, quindi, trasformato il rumore additivo a radio frequenze in un disturbo angolare che può essere facilmente studiato in banda base.
Ovviamente
le statistiche di
sono di fondamentale
importanza nel nostro studio. La funzione di autocorrelazione di
, fissato
, è

Si
nota subito un risultato importante, cioè che
è indipendente da
, e quindi la varianza del rumore di fase
è uguale per ogni fase
del VCO.
Occorre
precisare però che questi risultati sono stati ottenuti sotto la condizione di
anello aperto, se connettiamo il VCO con il PLL la fase non è più costante, ma
è sottoposta a fluttuazioni casuali causate dal rumore. Come diretta
conseguenza le statistiche appena trovate non sono più valide. Bisogna però
tener presente che lo scopo del PLL è quello di generare una replica del
segnale in ingresso, quindi sarà progettato per smorzare le fluttuazioni dovute
al rumore, possiamo dunque assumere che la fase
sia quasi costante su
piccoli intervalli di tempo,
. Quindi le statistiche reali di
possono essere
efficacemente approssimate con quelle calcolate ad anello aperto.
In fig 1.13 è rappresentato lo schema in banda base di un PLL in presenza di rumore.

Figura 1.13 PLL in banda base con rumore AWGN
Ponendo
e considerando
come ingresso del PLL
otteniamo
![]()
dove
è la funzione di
trasferimento ad anello chiuso del PLL. Poichè l'errore di fase
è uguale a
quando
otteniamo
![]()
In molti casi
pratici
è praticamente piatta
nella banda di
e, quindi, possiamo approssimare
![]()
e quindi

Può essere utile
introdurre il concetto di banda equivalente di rumore ad anello chiuso,
, intesa come la banda che dovrebbe avere
, se fosse rettangolare, per generare la stessa varianza
dell'errore di fase,
, quindi

per cui
.
Nel nostro caso

e quindi si ottiene

Dalla
figura 1.14 si vede come la banda di rumore all'interno del PLL sia
notevolmente minore rispetto a quella al suo ingresso; si spiega così la
caratteristica dei PLL di riuscire a tracciare la fase di un segnale anche in
presenza di un basso rapporto segnale-rumore. Sembrerebbe ovvio, quindi, fare
in modo che la banda
sia la più piccola
possibile per eliminare quanto più rumore posibbile. Questo però è reso
complicato dal fatto che la velocità d'acquisizione di un PLL, come vedremo in
seguito, è inversamente proporzionale a
. Occorre perciò trovare un giusto compromesso tra velocità
d'acquisizione e soppressione del rumore.

Figura 1.14 Densità spettrale di potenza del processo n'(t)
![]() |
| Appunti su: passa basso normalizzato, velocitC3A0 aggancio pll filtro, |
|
| Appunti Geografia | ![]() |
| Tesine Chimica | ![]() |
| Lezioni Biologia | ![]() |