![]() |
|
| Appunti scientifiche |
|
| Visite: 4035 | Gradito: |
Leggi anche appunti:Albert Einstein, il genio Folle della RelativitàAlbert Einstein, il genio Folle della Relatività L'elemento comune di tutte le CartesioCartesio Rene DesCartes nasce nel 1596, fu educato in un collegio e gli studi Il paradosso dei gemelliIL PARADOSSO DEI GEMELLI Un gemello rimane sulla Terra e l'altro va |
![]() |
![]() |
Misure di potenza su linea trifase mediante inserzione Barbagelata
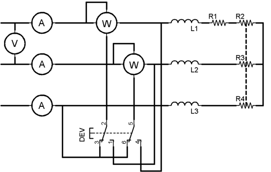
Schema di principio dell'inserzione:

Schema dell'inserzione utilizzato:

Scopo: utilizzo dell'inserzione Barbagelata per la misura di potenza attiva e reattiva su linea trifase simmetrica con carico squilibrato (il caso più comune nella pratica) senza neutro
Cenni teorici: Questo metodo, utilizzato per primo dall'ing. Barbagelata consente la misura della potenza di un sistema trifase simmetrico e squilibrato a 3 fili. Lo schema di principio fa' uso di 4 wattmetri, ma è possibile ridurre tale numero a 2 (secondo schema) mediante l'utilizzo di un doppio deviatore. La scelta del secondo metodo va però fatta con cautela visto che le due coppie di letture vengono eseguite in istanti di tempo leggermente diversi, e se durante questo venissero a variare valori quali le tensioni di linea, o le correnti, la misura sarebbe inevitabilmente errata.
Troviamo le potenze attiva e reattiva del sistema come:
P = A+B
Q = (A-B+2(D-C))/
Scelta delle apparecchiature: le apparecchiature scelte sono le seguenti:
Ampermetri: (tutti di classe 0,2 ossia errore massimo percentuale sulla portata dello 0,2%)
A1: Samar
mod: SL200ED
N° 900312
R: 0,917Ω a 2,5A 0,402Ω a 5A
A2: Samar
mod: SL200ED
N° 900311
R: 0,917Ω a 2,5A 0,402Ω a 5A
A3: Samar
mod: SL200ED
N° 832295
R: 0,917Ω a 2,5A 0,402Ω a 5A
Wattmetri:
W1: Norma, elettrodinamico
mod: 502014
N° 1762408
R: 35mΩ a 5A
L: 35μH a 5A
W2: Norma, elettrodinamico
mod: 502014
N° 1762409
R: 35mΩ a 5A
L: 35μH a 5A
Voltmetro:
V1: Norma
mod: 500029
N°1765265
Portata: 130V
Ri: 6.5kΩ
Batteria trifase reattanze:
De Lorenzo
mod: VLE860
cosφ <0,2
Batteria resistenze:
Ing. Bellotti & C
mod: 6KV15
N° 60660
R: 50
Alimentatore:
De Lorenzo
mod: DL1059
0 : 380V ~ 10A
Reostati:
Officine Galileo
mod: 12SP e 16SP
Esecuzione della prova: Si procede con il cablaggio del circuito, partendo dalla parte ampermetrico e procedendo poi con l'inserzione delle bobine voltmetriche dei wattmetri e del voltmetro e dei collegamenti sul deviatore. Si selezionano le portate più appropriate sugli strumenti e si impostano i valori delle batterie resistiva e induttiva in modo da ottenere un carico puramente resistivo (nella tabella seguente vi sono i diversi valori che assumerà il P.F. del carico nelle varie misure).
|
N° |
Carico |
|
|
Ohm-Ind squilibrato φ < 60° |
|
|
Ohm-Ind squilibrato φ = 60° |
|
|
Ohm-Ind squilibrato φ > 60° |
|
|
Ohm-Ind equilibrato |
|
|
Ohm-Ind squilibrato leggermente induttivo |
|
|
Puramente ohmico |
Si alimenta il circuito con una tensione via via crescente (prestando attenzione a non superare la portata impostata sugli strumenti; si può tenere conto del fatto che le bobine ampermetriche e voltmetriche dei wattmetri sono sovraccaricabili fino al 50%) e raggiunto il valore desiderato si inizia a leggere le indicazioni degli strumenti. Poi si sposta la leva del commutatore e si effettua una nuova serie di letture. Terminata questa si fa variare la natura del carico o lo sfasa,mento, in base alla tabella precedente, e si effeetua nuovamente una batteria di letture.
I dati raccolti sono i seguenti:
|
|
V1 |
A1 |
A2 |
A3 |
||||||||
|
k |
|
V |
k |
|
A |
k |
|
A |
k |
|
A |
|
|
|
|
|
|
|
|
|
|
|
|
|
|
|
|
|
|
|
|
|
|
|
|
|
|
|
|
|
|
|
|
|
|
|
|
|
|
|
|
|
|
|
|
|
|
|
|
|
|
|
|
|
|
|
|
|
|
|
|
|
|
|
|
|
|
|
|
|
|
|
|
|
|
|
|
|
|
|
|
|
|
|
|
|
|
|
Wa |
Wb |
Wc |
Wd |
||||||||
|
k |
|
W |
k |
|
W |
k |
|
W |
k |
|
W |
|
|
|
|
|
|
|
|
|
|
|
|
|
|
|
|
|
|
|
|
|
|
|
|
|
||||
|
|
|
|
|
|
|
|
|
|
||||
|
|
|
|
|
|
|
|
|
|
||||
|
|
|
|
|
|
|
|
|
|
||||
|
|
|
|
|
|
|
|
|
|
||||
Conclusioni ed osservazioni: Nella seguente tabella sono raccolti i valori di potenza attiva, reattiva e del P.F. assorbiti dal nostro carico e calcolati in base alle indicazioni raccolte nelle tabelle precedenti.
|
N° |
P (A+B) |
Q ((A-B+2(D-C))/ |
cosφ |
angolo |
|
|
W |
var |
|
|
|
|
|
|
|
|
|
|
|
|
|
|
|
|
|
|
|
|
|
|
|
|
|
|
|
|
|
|
|
|
|
|
|
|
|
|
Dalla penultima tabella, quella recanti le indicazioni dei wattmetri traiamo un'altra importante proprietà dell'inserzione, che ci permette di dire che la prova è stata eseguita correttamente: in presenza di carico equilibrato devono coincidere le indicazioni dei wattmetri A e D e quelle di B e C, condizione verificata nella prova (ultime due misure).
![]() |
| Appunti su: misura elettrica 380v senza neutro, Inserzione Barbagelata, |
|
| Appunti Geografia | ![]() |
| Tesine Biologia | ![]() |
| Lezioni Chimica | ![]() |