![]() |
|
| Appunti scientifiche |
|
| Visite: 5717 | Gradito: |
Leggi anche appunti:Il lavoro delle forze non conservative e il principio di conservazione dell'energia totaleIL LAVORO DELLE FORZE NON CONSERVATIVE E IL PRINCIPIO DI CONSERVAZIONE DELL'ENERGIA EinsteinEinstein Nell'ambito fisico l'impossibile non esiste o se esiste viene superato. La velocita' della luceLA VELOCITA' DELLA LUCE Misure nel vuoto La prima valutazione quantitativa della |
![]() |
![]() |
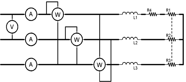
Misure di potenza su linea trifase mediante inserzione Righi
Schema dell'inserzione:

Note e legenda
A1, A2, A3 ampermetri
V voltmetro
W13, W23, W3-12 wattmetri
L1, L2, L3 componenti induttive del carico
R1, R2, R3 componenti resistive del carico
R4 reostato utilizzato per lo squilibrio del carico
Scopo: utilizzo dell'inserzione righi per la misura di potenza attiva e reattiva su linea trifase simmetrica con carico squilibrato (il caso più comune nella pratica) senza neutro
Cenni teorici: questo metodo (che deve il nome ad Augusto Righi, fisico italiano, primo al mondo a dimostrare l'effetto di isteresi magnetica nei materiali ferromagnetici) permette la misura di potenza attiva e reattiva su sitemi trifase squilibrati ma simmetrici senza neutro. Utilizza uno schema che prevede l'inserzione di tre wattmetri di cui due in Aron ed uno in quadratura, con l'amperometrica sulla quale sono connesse le uscite voltmetriche dei due wattmetri in Aron (vedere lo schema in prima pagina, in questo caso sulla linea 3). Dalle indicazioni dei tre wattmetri (A e B sono quelli inseriti ad Aron, C quello in quadratura) si ha che è possibile trovare ottenere la potenza reattiva come:
Q = (A-B+2C)/
e quella attiva come:
P = A+B
Da notare che il metodo consente quindi di determinare con tre sole letture sia la potenza attiva che quella reattiva del sistema. Inoltre, con carico equilibrato, risulta valida la relazione: C = A-B (ciò consente di avere un'immediata valutazione dello squilibrio del carico).
Scelta delle apparecchiature: le apparecchiature scelte sono le seguenti:
Ampermetri: (tutti di classe 0,2 ossia errore massimo percentuale sulla portata dello 0,2%)
A1: Samar
mod: SL200ED
N° 900312
R: 0,917Ω a 2,5A 0,402Ω a 5A
A2: Samar
mod: SL200ED
N° 900311
R: 0,917Ω a 2,5A 0,402Ω a 5A
A3: Samar
mod: SL200ED
N° 832295
R: 0,917Ω a 2,5A 0,402Ω a 5A
Wattmetri:
W1: Norma, elettrodinamico
mod: 502014
N° 1762408
R: 35mΩ a 5A
L: 35μH a 5A
W2: Norma, elettrodinamico
mod: 502014
N° 1762409
R: 35mΩ a 5A
L: 35μH a 5A
W3: Samar, elettrodinamico
mod: SC200ED
N° 832299
R: 0,055 a 5A
Voltmetro:
V1: Norma
mod: 500029
N°1765265
Portata: 130V
Ri: 6.5kΩ
Batteria trifase:
De Lorenzo
mod: VLE860
cosφ <0,2
Batteria resistenze:
Ing. Bellotti & C
mod: 6KV15
N° 60660
R: 50
Alimentatore:
De Lorenzo
mod: DL1059
Esecuzione della prova: Si procede con il cablaggio del circuito, partendo dal circuito ampermetrico e procedendo poi con l'inserzione delle bobine voltmetriche dei wattmetri e del voltmetro. Si selezionano le portate corrette sugli strumenti e si impostano i valori delle batterie resistiva e induttiva in modo da ottenere un carico puramente resistivo (nella tabella seguente vi sono i diversi valori che assumerà il P.F. del carico nelle varie misure).
|
N° |
Carico |
|
|
Squilibrato ohmico |
|
|
Equilibrato ohmico |
|
|
Equilibrato ohmico induttivo |
|
|
Squilibrato φ<60° |
|
|
Squilibrato φ=60° |
|
|
Squilibrato φ>60° |
Si alimenta quindi il circuito (facendo variare la tensione da 0V a valori via via maggiori controllando che non venga superata la portata impostata sugli strumenti; tenere comunque presente che le voltmetriche dei wattmetri sono caricabili fino 50% in più rispetto alla portata, analoga possibilità di sovraccaricabilità è presente per le bobine amperometriche) e si rilevano i valori indicati dagli strumenti. Si procede quindi effettuando le 6 misure, facendo variare di volta in volta il P.F. del carico e variando eventualmente le portate per ottenere una maggiore bontà delle indicazioni, ove possibile. I dati raccolti sono i seguenti:
|
|
V1 |
A1 |
A2 |
A3 |
||||||||
|
k |
|
Val. |
k |
|
Val. |
k |
|
Val. |
k |
|
Val. |
|
|
|
|
|
|
|
|
|
|
|
|
|
|
|
|
|
|
|
|
|
|
|
|
|
|
|
|
|
|
|
|
|
|
|
|
|
|
|
|
|
|
|
|
|
|
|
|
|
|
|
|
|
|
|
|
|
|
|
|
|
|
|
|
|
|
|
|
|
|
|
|
|
|
|
|
|
|
|
|
|
|
|
|
|
|
|
W12 , A |
W23 , B |
W3-12 , C |
||||||
|
k |
|
Val. |
k |
|
Val. |
k |
|
Val. |
|
|
|
|
|
|
|
|
|
|
|
|
|
|
|
|
|
|
|
|
|||
|
|
|
|
|
|
|
|
|||
|
|
|
|
|
|
|
|
|||
|
|
|
|
|
|
|
|
|||
|
|
|
|
|
|
|
|
|||
Conclusioni ed osservazioni: Nella seguente tabella sono raccolti i valori di potenza attiva, reattiva e del P.F. assorbiti dal nostro carico e calcolati in base alle indicazioni raccolte nelle tabelle precedenti.
|
N° |
P (A+B) |
Q ((A-B+2C)/ |
cosφ |
angolo |
A-B |
C |
|
|
W |
var |
|
|
W |
W |
|
|
|
|
|
|
|
|
|
|
|
|
|
|
|
|
|
|
|
|
|
|
|
|
|
|
|
|
|
|
|
|
|
|
|
|
|
|
|
|
|
|
|
|
|
|
|
|
Come si evince dalla tabella qui sopra le quanto citato circa l'inserzione righi è risultato essere vero: in presenza di carico equilibrato abbiamo infatti che le indicazioni di C e della differenza tra A e B coincidono (2 e 3 misura, vi è ovviamente un piccolo errore tra le due misure)
![]() |
| Appunti su: https:wwwappuntimaniacomscientifichefisicamisure-di-potenza-su-linea-tri55php, inserzione RIGHI schema, |
|
| Appunti Geografia | ![]() |
| Tesine Chimica | ![]() |
| Lezioni Biologia | ![]() |