![]() |
|
| Appunti tecniche |
|
| Visite: 2926 | Gradito: |
Leggi anche appunti:Verifica del comportamento di un amplificatore operazionale come comparatore semplice e a finestraVerifica del comportamento di un amplificatore operazionale come comparatore semplice Avvolgimenti indottiAVVOLGIMENTI INDOTTI Gli avvolgimenti indotti per le macchine rotanti si Renewable energyRENEWABLE ENERGY Energy generation has become an urgent, strategic issue at the |
![]() |
![]() |
Convertitore D / A
Un convertitore D/A o digitale/analogico è un dispositivo che ha lo scopo di trasformare un dato digitale in una grandezza analogica, in generale una tensione. C'è una corrispondenza di proporzionalità fra il valore espresso nel dato numerico ed il valore assunto dalla grandezza analogica. Ci sono vari tipi di convertitori:
a resistenze pesate,
con rete resistiva con rapporto R-2R (abbiamo solo due valori di resistenze)
con rete resistiva con rapporto R-2R invertita
I convertitori D/A si basano tutti essenzialmente sul principio di inviare in uscita una corrente proporzionale al valore digitale in ingresso. Questo si può realizzare con tecniche diverse (elencate sopra), ma prevedono sempre: un certo numero di commutatori analogici comandati dai bit d'ingresso, una tensione di riferimento stabile e una rete resistiva che assegna opportunamente le correnti a seconda dello stato dei commutatori in ingresso. Lo schema a blocchi mostra la struttura di un DAC:
La curva caratteristica di un D/A è idealmente è una gradinata di valori proporzionali alla codifica binaria, si presuppone che le resistenze siano perfettamente identiche e che gli interruttori abbiano resistenza infinita se aperti e nulla se chiusi. Ci sono naturalmente vari tipi di parametri ed errori di cui va tenuto conto:
La risoluzione: essa rappresenta la variazione di tensione dovuta alla variazione di un LSB (Least Significant Bit) ovvero il bit meno significativo in un numero binario, ed in modo equivalente indica il valore minimo di tensione rappresentabile dal DAC.
![]()
La tensione massima di uscita VuM: tale valore si ottiene quando tutti i bit sono a 1 e si dimostra che:

Non linearità: è dovuto da una tensione in uscita variabile non costante. Questo significa che i valori delle resistenze della rete non sono precisi e uguali tra di loro fornendo quindi correnti diverse (anche se la variazione è minima, lo si nota da grafico)
Tipi di convertitori D/A (DAC).
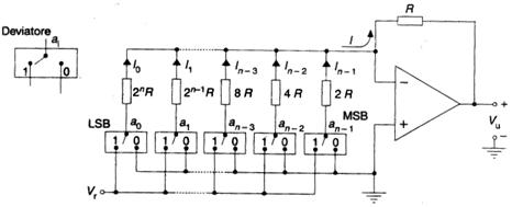
Convertitore a resistenze pesate.

Il circuito è composto da una rete di resistenze, da un convertitore corrente/tensione realizzato con un amplificatore operazionale e da alcuni deviatori elettronici. I deviatori sono utili nel nostro caso per descrivere il comportamento del circuito in quanto simulano una rete digitale che fornisce in uscita i livelli di tensione alti e bassi (corrispondenti ai valori logici 1 e 0). Il numero di resistenze e di deviatori è pari alla risoluzione del DAC. Il deviatore consente di collegare la resistenza a massa se il bit vale 0 o al potenziale di riferimento Vfs se il bit vale 1. Di conseguenza in ogni resistenza c'è un passaggio di corrente soltanto se il bit associato vale 1 in modo da avere una differenza di potenziale pari a Vfs ai capi della stessa resistenza. In caso di bit 0 i due morsetti della resistenza sono a massa e quindi non ci può essere passaggio di corrente. La corrente che circola in ogni resistenza deve essere tale da dare ad ogni bit il proprio peso in funzione della sua posizione, secondo il principio della conversione. Il valore della corrente deve essere maggiore per il bit più significativo (MSB) per poi diminuire per i bit meno significativi. Si procede dunque collegando al MSB la resistenza minore e raddoppiandone il valore per il bit successivo fino al LSB per il quale la resistenza è 2n-1 volte maggiore rispetto alla prima. Il convertitore corrente - tensione effettua la somma delle correnti.
L'impiego di questi tipo di convertitori D/A è limitato perché presentano alcuni inconvenienti:
Il valore delle resistenze cresce secondo le potenze del due, fino a raggiungere valori notevoli se il numero di bit del DAC è elevato (RLSB=2nR), non è possibile ovviare a questo problema prendendo un valore di R troppo basso se si vuole garantire un corretto funzionamento dei deviatori elettronici.
Difficoltà di avere resistenze con valori così diversi e stessa precisione.
La corrente erogata da Vr dipende dalla combinazione dei bit in ingresso.
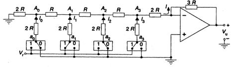
Convertitori D/A con rete di tipo R-2R.
Questo tipo di convertitore D/A sfrutta, per la conversione, lo stesso principio di quello a resistenze pesate ma presenta il vantaggio di utilizzare resistenze di due soli possibili valori R e 2R. Esistono due tipi di DAC di questo genere:
a rete R-2R;
a rete R-2R invertita;
Convertitore R-2R.

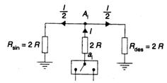
La rete di resistenze è tale che da ogni nodo Ai la resistenza vista verso destra e verso sinistra vale sempre 2R. In figura è riportato l'esempio del nodo A2 (i generatori sono cortocircuitati).

Di conseguenza la resistenza che è vista da ciascun deviatore è:
2R + Rsin//Rdes = 3R

Così in tutte le resistenze collegate ai deviatori circola lo stesso valore di corrente:
![]()
Questa corrente in ogni nodo che incontra si divide in due parti uguali perché Rdes = Rsin. Come nel caso del DAC a resistenze pesate occorre fare in modo che ad ogni bit sia dato il proprio peso in funzione della sua posizione, così il convertitore corrente - tensione effettua la giusta combinazione lineare fornendo in uscita una tensione proporzionale al codice. Al bit più significativo an-1 viene associata la corrente massima che vale:
![]()
perché subisce una sola divisione nel nodo An-1. Le correnti che corrispondono ai bit meno significativi subiscono un numero di partizioni che aumenta spostandosi verso sinistra. Infatti la corrente associata al bit meno generico subisce n -k divisioni (n = nodi) e vale:
![]()
Di conseguenza la corrente corrispondente al LSB a0 vale:
![]()
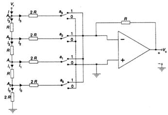
Convertitore a rete R-2R invertita.

Il deviatore permette di collegare la resistenza a massa, nel caso di bit 0, o al morsetto invertente dell'amplificatore operazionale, se il bit vale 1. Essendo il potenziale del morsetto invertente comunque pari a zero (V-= V+=0 V), il valore della corrente che circola nella resistenza collegata al deviatore rimane lo stesso indipendentemente dalla posizione del deviatore stesso. Quando il bit vale 1 questa corrente passa nel convertitore dando il proprio contribuito alla tensione d'uscita.
La resistenza vista da ogni nodo Ai verso massa vale R; in figura è mostrato l'esempio del nodo A2.

La conversione avviene come nel DAC a rete R-2R: il valore della corrente che circola nella resistenza associata al deviatore deve essere maggiore per il bit più significativo (MSB), per poi diminuire per i bit meno signifi-cativi. Illustriamo il caso del DAC a 4 bit.
Il convertitore D/A a rete R-2R invertita rappresenta la soluzione più diffusa tra i componenti commerciali. Infatti con questa soluzione
le resistenze hanno soltanto due valori possibili R e 2R;
la corrente erogata da Vfs è costante;
la corrente circolante nelle resistenze è indipendente dalla parola in ingresso così si evitano i disturbi dovuti alle commutazioni.
Convertitore Fast DAC
Come detto in precedenza, il sistema di broadcasting DVB utilizza questo tipo di convertitore "veloce" perché essendo un sistema di trasmissione della televisione digitale terrestre bisogna garantire la sufficiente quantità di campioni per secondo convertiti, senza quindi degradare o "rallentare" l'informazione.
Schema a blocchi di un Fast DAC (AD7528)
Come si può notare, circuitalmente risulta più complesso rispetto a quelli descritti in precedenza. Questo convertitore può avere in ingresso max 8 bit ( da DB0 a DB7), successivamente troviamo:
Buffer: questo dispositivo si ottiene chiudendo in retroazione unitaria un amplificatore operazionale ovvero riportando il segnale in uscita direttamente sull'ingresso invertente dell'amplificatore. Lo scopo principale del buffer è quello di separare o disaccoppiare la sorgente del segnale dal resto del circuito. Il disaccoppiamento consente di non assorbire corrente dalla sorgente di segnale, non provocando così i cosiddetti 'effetti di carico' (ovvero un eccessivo assorbimento di corrente dal generatore di segnale), e aumentare così la capacità di fornire potenza da parte del generatore.
Latch: Il latch è un circuito elettronico utilizzato nei sistemi a logica sequenziale asincrona, svolge il compito di memorizzare e mantenere stabili i bit che arrivano dall'esterno. Sarà poi compito del DAC convertirli.

Control logic o logica di controllo: è l'insieme di circuiti logici che si occupa di sincronizzare i vari circuiti tra loro e di gestire i segnali digitali provenienti dall'esterno necessari per interfacciare li DAC con la parte digitale
DAC: Infine abbiamo 2 convertitori digitali analogici che si occupano della conversione del segnale digitale proveniente dai latch.
![]() |
| Appunti su: convertitore adc e dac, adc a resistenze pesate formule, rete resistiva conversione, adc dac risoluzione dispensa, |
|
| Appunti costruzione | ![]() |
| Tesine Gestione | ![]() |
| Lezioni Ingegneria tecnico | ![]() |