![]() |
|
| Appunti tecniche |
|
| Visite: 2117 | Gradito: |
Leggi anche appunti:Traduzione in ladderTRADUZIONE IN LADDER Per tradurre in ladder il programma SFC si sono fatte La retroazioneLa retroazione Si dice che esiste una retroazione o reazione quando una parte MagnetismoMAGNETISMO Aspetto dell'elettromagnetismo che studia le interazioni magnetiche |
![]() |
![]() |
ESPERIENZA DI LABORATORIO DI ELETTRONICA
SOMMARIO
OGGETTO
CIRCUITI IN ESAME
DATI INIZIALI
RIFERIMENTI TEORICI
STRUMENTI UTILIZZATI
COMPONENTI UTILIZZATI
PROCESSO DEI RILIEVI
DESCRIZIONI DELLE PARTI SALIENTI DELL'ESPERIENZA
o Calcolo del guadagno in tensione
CIRCUITI E SIMULAZIONE
o Simulazione ad onda quadra con frequenza di 100Hz
o Simulazione ad onda quadra con frequenza di 200Hz
o Simulazione ad onda quadra con frequenza di 500Hz
o Simulazione ad onda quadra con frequenza di 1kHz
o Simulazione ad onda quadra con frequenza di 5kHz
o Simulazione ad onda quadra con frequenza di 8kHz
o Simulazione ad onda quadra con frequenza di 10kHz
o Simulazione ad onda quadra con frequenza di 20H
o Simulazione ad onda quadra con frequenza di 30kHz
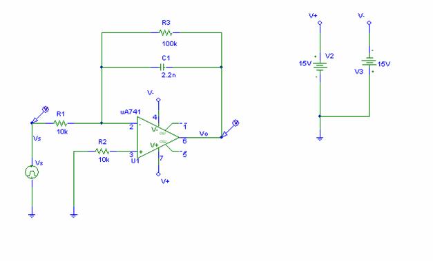
OGGETTO: Circuito intregratore con amplificatore operazionale
CIRCUITI IN ESAME:

DATI INIZIALI:
Vs = 1V;
R1 = 10kΩ;
R2 = 10kΩ;
R3 = 100kΩ;
C1 = 2.2nF;
Frequenza = 100Hz;
200Hz;
500Hz;
1kHz;
5kHz;
8kHz;
10kHz;
20kHz;
30kHz.
RIFERIMENTI TEORICI:
L'amplificatore operazionale in esame viene detto integratore e il circuito base č il seguente:

Questo č un circuito base di un integratore ed č costituito da una capacitą (C1) posta tra la tensione di uscita Vo e il piedino invertente dell'operazionale e da una semplice resistenza.
Da tenere presente che il circuito lavora in zona lineare ad anello chiuso.
Per trovare la Vo (tensione di uscita) si fa:

Dove l'uscita č l'integrale dell'ingresso.
STRUMENTI UTILIZZATI:
Generatore RAD - TRONIC TORINO;
Generatore d'onda sinusoidale TABOR ELECTRONICS MODEL 8052;
Oscilloscopio 2 canali, 20MHz oscilloscope, TEKTRONIC 2205;
Computer per simulazione.
COMPONENTI UTILIZZATI:
|
Numero |
RIF |
Valore |
Descrizione |
Sigla |
Quantitą |
|
|
U1 |
|
Amplificatore operazionale |
uA741 |
1pz |
|
|
|
|
Bread-Board |
|
1pz |
|
|
|
|
Connettore BNC/AT |
|
1pz |
|
|
|
|
Sonda BNC/BNC |
|
1pz |
|
|
|||||
|
|
|
|
Sonda BNC/KLEPS |
|
1pz |
|
|
|
|
Sonda non attenuata x1 |
|
1pz |
|
|
|
|
Filo per Bread-Board |
|
20 cm |
|
|
R1 |
10kΩ |
Resistenza |
R |
1pz |
|
|
R2 |
10kΩ |
Resistenza |
R |
1pz |
|
|
C1 |
2.2nF |
Condensatore |
C |
1pz |
|
|
R3 |
100kΩ |
Resistenza |
R |
1pz |
PROCESSO DEI RILIEVI:
DESCRIZIONE DELLE PARTI SALIENTI DELL'ESPERIENZA:
|
Vspp [V] |
F[Hz] |
Vopp [V] |
A [V] |
|
|
|
|
|
|
|
|
|
|
|
|
|
|
|
|
|
1k |
|
|
|
|
5k |
|
|
|
|
8k |
|
|
|
|
10k |
|
|
|
|
20k |
|
|
|
|
30k |
|
|
Calcolo del guadagno di tensione:

CIRCUITI E SIMULAZIONI:

Simulazione ad onda quadra con frequenza di 100Hz

Simulazione ad onda quadra con frequenza di 200Hz

Simulazione ad onda quadra con frequenza di 500Hz

Simulazione ad onda quadra con frequenza di 1kHz

Simulazione ad onda quadra con frequenza di 5kHz

Simulazione ad onda quadra con frequenza di 8kHz

Simulazione ad onda quadra con frequenza di 10kHz

Simulazione ad onda quadra con frequenza di 20kHz

Simulazione ad onda quadra con frequenza di 30kHz

![]() |
| Appunti su: |
|
| Appunti Ingegneria tecnico | ![]() |
| Tesine costruzione | ![]() |
| Lezioni Gestione | ![]() |