![]() |
|
| Appunti tecniche |
|
| Visite: 2691 | Gradito: |
Leggi anche appunti:La membrana: circuito elettrico equivalenteLa membrana: circuito elettrico equivalente La membrana del miocita cardiaco Tecniche di progetto dei circuiti integrati: livelli di astrazioneTecniche di progetto dei circuiti integrati: livelli di astrazione Una volta Sistemi dinamici del secondo settoreSISTEMI DINAMICI DEL SECONDO SETTORE Si definiscono sistemi dinamici del |
![]() |
![]() |
Pilotaggio di un servo-motore in continua attraverso PWM
Strumenti Utilizzati: Teoricamente dovrebbero essere le seguenti gli strumenti utilizzati:
generatore di tensione, PWM (Tl494), fotocopiatore (Tic 117), diodo 1N4148, transistor PNP(Tip32), transistor NPN(Bux11), diodo (Mur480), servomotore, dinamo tachimetrica, dei condensatori e delle resistenze.
Parte Teorica: Il componente fondamentale di questa prova è il motore che con eccitazione a filo avvolto può essere alimentato sia in corrente continua che in alternata. Nel nostro caso è stato utilizzato il motore in corrente continua, dove la coppia motrice è direttamente proporzionale alla corrente motrice. Comunque il motore DC si usa in particolare quando si vuole realizzare un controllo della velocità più preciso.
Un altro componente che è stato usato in questo circuito ed è importante è il diodo 1N4148. Questo tipo di diodo si utilizza per elevare la tensione Vy da 0,6 a 1,2V in modo che siano polarizzati direttamente solo quando si è veramente in trasmissione o in ricezione. Questi diodi sono di tipo fast (veloci) e ultra-fast (ultra veloci). Presentano tempi di recupero inverso molto bassi e quindi adatti per interventi rapidi.
Uno dei componenti che è indispensabile per pilotare un motore in continua è PWM (Pulse Width Modulation). Un segnale PWM (ovvero modulazione a variazione della larghezza d'impulso) è un'onda quadra di duty cycle variabile che permette di controllare l'assorbimento di un carico elettrico (nel nostro caso il motore DC), variando (modulando) il duty cycle.

Fig. 1: Definizione di duty cycle
Un segnale PWM è caratterizzato dalla frequenza (fissa) e dal duty cycle (variabile); come si deduce dalla Fig. 1, il duty cycle è il rapporto tra il tempo in cui l'onda assume valore alto e il periodo T (l'inverso della frequenza: T=1/f) ne segue che un un duty cycle dell'80% corrisponde ad un'onda quadra che assume valore alto per l'80% del tempo e basso per il restante 20%, un duty cycle del 100% corrisponde ad un segnale sempre alto e un duty cycle dello 0% ad un segnale sempre basso. Quindi attraverso questo circuito possiamo facilmente ed efficacemente controllare la velocità di un motore. Con questo sistema la velocità del motore non viene regolata variando la tensione, ma variando il tempo durante il quale l'intera tensione di alimentazione viene applicata ai terminali del motore. Questo circuito permette di ridurre sensibilmente la produzione di calore e di aumentare l'efficienza alle basse velocità, perché il motore riceve sempre tutta la tensione di alimentazione. Nel circuito è stato usato un integrato, che è il Tl494, che fornisce in uscita un segnale PWM. Possiamo notare qui sotto nel grafico come bisogna configurarlo per un suo corretto uso:
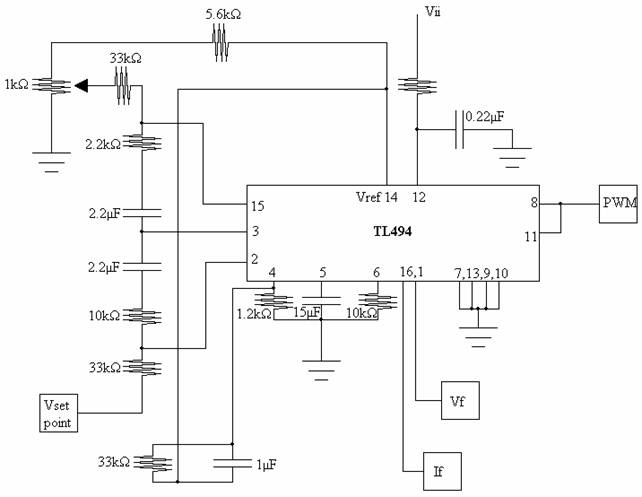
CIRCUITO DI CONFIGURAZIONE DEL PWM(TL494):

In questa prova è stato usato anche il transistor. Come visto nel caso del diodo anche il transistor, ovviamente, sfrutta le particolari caratteristiche della giunzione a semiconduttore. Nel transistor, però, le giunzioni diventano due e sono ottenute accostando materiale N ad due P oppure materiale P a due N. Le tipologie di transistor sono dunque due: N-P-N e P-N-P.
E' stato utilizzato anche un fotocopiatore che è formato da un diodo led e un fototransistor
In questo circuito venne impiegato anche il Mur480 che è un diodo clump o di circolo.
Per sapere a quale velocità gira il motore e nel caso non girasse alla velocità desiderata bisogna intervenire, ma l'informazione della velocità si riesce ad ottenere da un dinamo tachimetrica. Quest'ultimo è un trasduttore di velocità angolare che, montato coassialmente all'albero di un motore, fornisce, in uscita, una tensione proporzionale alla velocità di rotazione del motore.
Una dinamo tachimetrica può essere così schematizzata:

Per un suo uso corretto, si deve fare in modo che la tensione di uscita non vari durante il funzionamento sotto carico. Durante l'utilizzo, si noti che la tensione Vo non è esattamente continua ma presenta un'ondulazione dovuta alla commutazione delle spazzole; questo inconveniente si elimina generalmente con un filtro passa basso.
CIRCUITO INTERNO DEL PWM(TL494):

Quando l'ingresso invertente del primo amplificatore (1IN-2), che in questo caso fa da comparatore, è maggiore dell'ingresso non invertente (1IN+1) all'uscita si ha uno zero. Questo segnale arriva invariato all'ingresso del nor passando dal comparatore del PWM e dal primo or. L'altro ingresso del nor è sempre zero. Così in uscita dal nor abbiamo un uno soltanto quando l'uscita del comparatore è zero. Quando l'uscita del nor è a uno la corrente va alla base del transistor che mette a massa il connettore ed in quel momento il transistor conduce. Così facendo passa la corrente al circuito del servo-motore che si mette in moto. Quando l'ingresso non invertente è maggiore dell'ingresso invertente all'uscita dell'amplificatore si ha un uno, ma così all'uscita del nor si ha uno zero; di conseguenza il transistor non conduce e non passa la corrente al circuito del servo-motore. Facendo così il circuito del PWM sfrutta l'effetto volano del motore, così non lo riscalda e fa durare di più la vita del motore, come ho già detto prima. Bisogna ricordare che all'ingresso invertente ci va il set-point (cioè la tensione proporzionale alla velocità del motore che vogliamo far girare) e all'ingresso non invertente ci va tensione di ritorno (che è proporzionale alla velocità effettiva del motore) da dinamo tachimetrica.
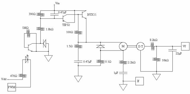
CIRCUITO DEL SERVO-MOTORE:

Invece qui sopra possiamo notare il grafico del circuito del servo-motore. All'inizio viene fatto una separazione galvanica (utilizzando fotocopiatore (diodo led e fototransistor)) tra il circuito di PWM e il circuito del servo-motore attraverso il campo magnetico. Quando l'uscita del PWM è zero il diodo led si accende. Questa luce andando alla base del fototransistor manda in conduzione e mette a massa il connettore. Conducendo il fototransistor manda in conduzione anche il transistor PNP (Tip32), perché la sua base viene attraversata da una corrente negativa. Ricordiamo che il transistor PNP funziona diversamente da NPN. Quando il transistor PNP è in conduzione anche il transistor NPN (Bux11) conduce perché la sua base viene attraversata da una corrente. Conducendo quest'ultimo la corrente passa al servo-motore che si mette in moto e la corrente va a massa attraverso la resistenza di 5W. Mentre il servo-motore è in moto la dinamo tachimetrica rileva la sua velocità e lo manda al PWM che a sua volta facendo delle comparazioni decide se continuare a fornire corrente al motore o usufruirsi dell'effetto volano, che viene usato quando il segnale del PWM è uno perché così il diodo e spento. Quindi il fototransistor non conduce e di conseguenza tutto il circuito rimane senza corrente finche non si usufruisce sufficientemente l'effetto volano che dopo il PWM prende il controllo.
![]() |
| Appunti su: amplificatore tl494, servomotori diodi condensatori, pilotaggio servomotori, tempi pilotaggio servomotori, |
|
| Appunti Ingegneria tecnico | ![]() |
| Tesine costruzione | ![]() |
| Lezioni Gestione | ![]() |