![]() |
|
| Appunti tecniche |
|
| Visite: 1535 | Gradito: |
Leggi anche appunti:Avvolgimenti indottiAVVOLGIMENTI INDOTTI Gli avvolgimenti indotti per le macchine rotanti si La ResistenzaLa Resistenza La Resistenza italiana vą considerata come la ripresa attiva I trasformatoriI TRASFORMATORI Il trasformatore viene definito come una macchina statica |
![]() |
![]() |
STUDIO DI UNA RETE RC CON GENERATORE DI FUNZIONE ED OSCILLOSCOPIO
Titolo Rilievo della risposta di un filtro passa basso e passa alto
Materiale: 1 generatore di tensione, 1 multimetro, 1 oscilloscopio, 1 basetta, 1 condensatore (100microF), 1 resistenza (2,7KΩ)
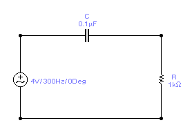
FILTRO PASSA-BASSO
![]()
Schema:


![]()
Cenni teorici: Un filtro passa basso č un semplice circuito costituito da una resistenza ed una capacitą collegata in serie.
La tensione di ingresso č applicata ai capi della serie, mentre il segnale di uscita si preleva ai capi dalla capacitą.
Per studiare il comportamento di questo circuito si alimenta con un segnale a corrente alternata, di tipo sinosuidale, costante, e si varia la frequenza ed alla fine si ricava la curva di risposta in funzione della frequenza.
Si definisce guadagno il rapporto tra il segnale di uscita e il segnale di ingresso; in questo caso questo caso questo rapporto rappresenta l'attenuazione in quanto il circuito comprende solo elementi passivi e risulterą sempre Vu < Vi non potendoci essere un amplificazione, ma piuttosto una caduta di tensione ai capi di una resistenza.
L'unitą di misura del guadagno A č il decibel dB e si scrive nel seguente modo: 20log(Vu / Vi).
Si definisce frequenza di taglio quel valore per il quale il guadagno
si riduce di 2 .
Procedimento: in laboratorio per lo studio di un filtro passa basso RC abbiamo utilizzato una basetta preforata con una resistenza di 2700W e un condensatore di 100microF.
In ingresso abbiamo collegato tramite una sonda un generatore di segnale; in uscita invece abbiamo collegato l'oscilloscopio tramite due sonde, una per prelevare il segnale di ingresso, l'altra per prelevare il segnale di uscita.
In seguito abbiamo alimentato il circuito con un segnale sinosuidale di 5Vpp e ne abbiamo studiato la risposta in uscita variando di volta in volta la frequenza del segnale di ingresso.
Abbiamo effettuato 5 misure partendo da un valore di frequenza fH fino a 10 fH.
Durante la prova abbiamo verificato come man mano aumentavamo la frequenza del segnale, l'ampiezza del segnale di uscita diminuiva.
Questo prova che il filtro passa basso, all'aumento della frequenza incide negativamente sull'ampiezza del segnale di uscita.
Con i valori di frequenza e attenuazione disponibili in tabella si č costituito il grafico riportante in ascissa la frequenza ad in ordinata l'attenuazione; tale grafico prende il nome di curva di risposta in frequenza del filtro passa alto.
Dati e grafico: fH=1/(2πRC)=1/(2π * 2700 * 100 * 10-6)= 10,6 kHZ
|
f (Hz) |
ViM (V) |
V0M (V) |
AV=V0M/ViM |
|AV| (dB) |
|
|
|
|
|
|
|
|
|
|
|
|
|
|
|
|
|
|
|
|
|
|
|
|
|
|
|
|
|
|
Conclusioni: Osservando il grafico si nota che esso corrisponde alle aspettative teoriche, infatti si nota che l'attuazione č bassa per le basse frequenze ed č alta per le alte frequenze.
Il comportamento da filtro passa basso č dovuto al condensatore, il quale ha una reattanza che diminuisce all'aumentare della frequenza.
Siccome la tensione di uscita del filtro č in realtą la tensione ai capi del condensatore, si ha che questa diminuisce all'aumentare della frequenza.
I valori accettabili della tensione di uscita sono quelli ottenuti per valori della frequenza compresi tra 0 Hz e la frequenza di taglio, che come detto , vale 589 Hz; gli altri valori ottenuti per frequenza maggiore della frequenza di taglio non sono accettabili, per cui si dice che non passano.
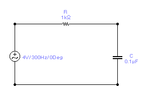
FILTRO PASSA-ALTO
Scopo Lo scopo della misurazione č rilevare
Schema:



Cenni teorici: Un filtro passa alto č un semplice circuito costituito da una capacitą ed una resistenza collegata in serie.
La tensione di ingresso č applicata ai capi della serie, mentre il segnale di uscita si preleva ai capi dalla resistenza.
Per studiare il comportamento di questo circuito si alimenta con un segnale a corrente alternata, di tipo sinosuidale, costante, e si varia la frequenza ed alla fine si ricava la curva di risposta in funzione della frequenza.
Anche in questo caso il guadagno si puņ chiamare attenuazione in quanto il circuito comprende solo elementi passivi.
L'unitą di misura del guadagno A č il decibel dB e si scrive nel seguente modo 20log(Vu / Vi).
La curva di risposta risulterą opposta a quella del filtro passa basso.
Procedimento: in laboratorio per studiare la curva di risposta di un filtro passa alta CR in funzione della frequenza abbiamo utilizzato una basetta preforata con un condensatore e una resistenza collegati in serie, ai capi della serie abbiamo collegato un generatore di segnale mentre ai capi della resistenza abbiamo collegato un oscilloscopio. In ingresso abbiamo collegato tramite una sonda un generatore di segnale; in uscita invece abbiamo collegato l'oscilloscopio tramite due sonde, una per prelevare il segnale di ingresso, l'altra per prelevare il segnale di uscita.
In seguito abbiamo alimentato il circuito con un segnale sinosuidale di 5Vpp e ne abbiamo studiato la risposta in uscita variando di volta in volta la frequenza del segnale di ingresso.
Abbiamo effettuato 5 misure partendo da un valore di frequenza fH fino a 10 fH.
Durante la prova abbiamo verificato come man mano aumentavamo la frequenza del segnale di ingresso aumentava, l'ampiezza del segnale di uscita aumentava di valore.
Dati e grafico: fL=1/(2πRC)=1/(2π * 2700 * 100 * 10-6)= 10,6 kHZ
|
f (Hz) |
ViM (V) |
V0M (V) |
AV=V0M/ViM |
|AV| (dB) |
|
|
|
|
|
|
|
|
|
|
|
|
|
|
|
|
|
|
|
|
|
|
|
|
|
|
|
|
|
|
Conclusioni:
Osservando il grafico si nota che esso
corrisponde alle aspettative teoriche, infatti si nota che l'attuazione č alta
per le basse frequenze (da
Il comportamento da filtro passa alto č dovuto al condensatore, il quale ha una reattanza che diminuisce all'aumentare della frequenza.
I valori della tensione di uscita ottenuti per le frequenze comprese tra 0 e fL non sono accettabili, mentre lo sono quelli ottenuti per le frequenze maggiori della frequenza di taglio, per cui il filtro si chiama passa alto.
Inoltre si č osservato una piccola differenza tra il valore misurato e quello calcolato della frequenza di taglio.
Tale differenza č sicuramente riferibile alla tolleranza dei componenti passivi del filtro e agli errori di misurazione.
Si nota, in fine, che i grafici ottenuti si avvicinano all'andamento del diagramma di Bode per le attenuazioni.
![]() |
| Appunti su: costruzione generatore di funzioni, |
|
| Appunti costruzione | ![]() |
| Tesine Ingegneria tecnico | ![]() |
| Lezioni Gestione | ![]() |