![]() |
|
| Appunti tecniche |
|
| Visite: 2746 | Gradito: |
Leggi anche appunti:Rilievo della transcaratteristica di una porta logica not lsRELAZIONE DI LABORATORIO DI ELETTRONICA RILIEVO DELLA TRANSCARATTERISTICA DI Risp.in frequenza filtro lp 2° ordine (butterworth)Vu Progresso e la divulgazione scientifica: l'elettricità wirelessProgresso e la divulgazione scientifica: l'elettricità wireless Se |
![]() |
![]() |
Tecniche di Disegno e Progettazione
Microfono Direzionale
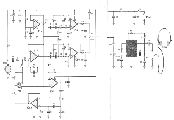
Schema Elettrico
Il segnale captato dal microfono viene trasferito tramite il condensatore C1 e le due resistenze R4-R5 sul piedino 2 invertente dell'operazionale siglato IC1/A.
Questo integrato provvede ad amplificare il segnale che giunge sul piedino di circa 27 dB, che corrispondono a circa 23 volte in tensione.
Il segnale amplificato presente sul piedino d'uscita 1 viene trasferito sui due filtri passa/banda costituiti dai due operazionali siglati IC2/A - IC2/B.
Il primo filtro IC2/A lascia passare le sole frequenze comprese tra 800 Hz e 6.000 Hz, il secondo comprese tra 180 Hz e 1.500 Hz.
Poiché i due piedini d'uscita di questi filtri sono collegati ai capi del potenziometro lineare R23, se ruotiamo il suo cursore verso IC2/B passeranno le sole frequenze dei bassi e medio/bassi.
Se lo ruotiamo a metà corsa passeranno tutte le frequenze dei bassi e degli acuti.
Se lo ruotiamo verso IC2/A passeranno le sole frequenze dei medio/alti e degli acuti.
Il segnale prelevato dal cursore di questo potenziometro filtro viene applicato sul potenziometro logaritmico del volume siglato R24 e da qui prelevato per essere inserito sul piedino d'ingresso 3 dell'integrato IC/4, un normale TBA.820M che provvede ad amplificarlo in potenza per poter pilotare una cuffia.
In questo circuito abbiamo inoltre inserito un efficace compressore per evitare di assordarci in presenza di un improvviso e "forte" suono.
Lo stadio compressore è costituito dai due operazionali IC3/A - IC3/B e dal fet FT1.
Come potete notare guardando lo schema elettrico, il segnale preamplificato che fuoriesce da piedino 1 dell'operazionale IC1/A oltre ad entrare sui due filtri passa/banda entra, tramite la resistenza R12, anche sul piedino 2 invertente dell'operazionale IC3/B che lo amplifica di circa 3 volte.
Dall'uscita di questo operazionale il segnale raggiunge tramite C7 - R10 i due diodi raddrizzatori DS1 - DS2 ed il condensatore elettrolitico C6 dai quali si ricava una tensione continua il cui valore è proporzionale all'ampiezza del segnale di BF.
Questa tensione viene applicata sul piedino 5 non invertente dell'operazionale IC3/A utilizzato come stadio separatore con uscita a bassa impedenza.
La tensione presente sul piedino 7 di IC3/A viene utilizzata per polarizzare il Gate del fet FT1.
Poiché il Drain di questo fet è collegato sulla giunzione delle due resistenze d'ingresso siglate R4 - R5, ne consegue che in presenza di un improvviso aumento del segnale preamplificato il fet riduce automaticamente il valore della sua resistenza interna riducendo così il segnale del microfono collegato allo stadio d'ingresso IC1/A.
In pratica tutto lo stadio composto da IC3/B - IC3/A - FT1 è un completo CGA (Controllo Automatico di Guadagno).
Per soddisfare tutte le situazioni e le diverse zone di utilizzo, abbiamo previsto la possibilità di inserire ed escludere questa parte del circuito tramite l'interruttore S1.
Poiché gli operazionali per funzionare hanno bisogno di una tensione duale di alimentazione, l'integrato IC1/B è stato utilizzato per creare la "massa fittizia", cioè un valore di tensione pari alla metà di quello di alimentazione che nel nostro caso equivale a 4,5 volt.
Questa tensione è indispensabile per alimentare tutti i piedini non invertenti degli operazionali IC1/A - IC2/A - IC2/B ed il terminale Source del fet FT1.
Per alimentare questo preamplificatore è sufficiente una sola pila da 9 volt.


Realizzazione Pratica
Tutti i componenti di questo progetto devono essere collocati sul circuito stampato a doppia faccia con fori metallizzati.
I primi componenti che ho montato sono stati i quattro zoccoli degli integrati.
Dopo aver stagnato i loro terminali ho inserito tutte le resistenze controllando attentamente, con l'elenco componenti, il codice colori riportato sul loro corpo.
Di seguito ho saldato i due diodi DS1 - DS2.
Proseguendo nel montaggio ho inserito tutti i condensatori.
Successivamente ho collocato e stagnato il FET rivolgendo la parte piatta del corpo verso sinistra.
In fine ho inserito sullo stampato la presa uscita per la cuffia ed ho collocato gli integrati nei rispettivi zoccoli, rivolgendo il lato del corpo contrassegnato da un incavo ad U.
Per completare il montaggio sarà necessario saldare degli spezzoni di filo isolato sui terminali presenti sul circuito stampato, dove andranno poi fissati i due potenziometri, gli interruttori e la presa femmina per l'ingresso del segnale microfono, dopo di che collegare il microfono, la pila e gli interruttori S1 - S2.


Collaudo
Il collaudo deve essere effettuato in un ampio spazio poco rumoroso, possibilmente in campagna, per evitare suoni troppo forti durante il settaggio del volume.
Per effettuare il collaudo, per prima cosa, è necessario cercare un apposito contenitore parabolico, che possa captare meglio il segnale.
Per poter posizionare il microfono davanti ad un paraboloide, è necessario trovare il punto focale, tale punto si calcola con la seguente formula: D*D/16*P, dove D=diametro e P=profondità.
In questo modo non troveremo il preciso punto focale poiché lo strumento che andremo ad usare (è possibile usare a tale scopo anche un coperchi da pentola di circa 25 - 35 cm di diametro) per la realizzazione dell'antenna non sarà una parabola perfetta.
Per ovviare a questo inconveniente dovremmo procedere manualmente, avvicinando ed allontanando il microfono dalla parabola, fino a quando il suono non sarà nitido ed al massimo.
Per questo passaggio il calcolo del punto focale ci è di grande aiuto, poiché ci darà un'indicazione sommaria di dove sarà tale punto.
Una volta trovata la miglior posizione in cui dovrà stare il microfono, sarà necessario trovare un modo per fissarcelo in modo che il lato ricevente si posto frontalmente alla parabola.
Oltre a questo oggetto, potremmo usare anche un imbuto, esso ci fornirà gli stessi risultati.
Infatti posizionando il microfono nel collo di quest'ultimo, cercando di evitare che questo entri in contatto con le pareti del collo dell'imbuto.
Per ovviare a tale incombenza, basterà avvolgere il microfono, prima dell'inserimento nella cavità preposta, nella gomma piuma o in un batuffolo di cotone, lasciando libere le due estremità, ed inserendolo con la zona adibita alla ricezione del segnale audio rivolto verso dove l'imbuto si allarga.
Effettuato tale procedimento, sarà necessario collegare l'altra estremità del microfono, nonché l'uscita del segnale elettrico di quest'ultimo, al circuito, e procedere con il collaudo.
Transistor FET
In un transistor FET (Field Effect Transistor - transistor ad effetto di campo) i tre terminali sono chiamati gate G (porta), source S (sorgente) e drain D (pozzo) rispettivamente, e l'effetto transistor si ottiene tramite il campo elettrico indotto dalla tensione applicata al terminale gate che respinge i portatori di carica del silicio del canale fra source e gate, variandone la resistenza elettrica: più la tensione fra gate e source è grande, più ampia diventa la regione svuotata non conduttrice, priva di portatori, e più cresce la resistenza elettrica fra source e drain.
Rispetto ai transistor bipolari i FET presentano il vantaggio di avere il terminale di controllo (gate) isolato, in cui non passa alcuna corrente; lo svantaggio invece è che un transistor FET non è in grado di offrire molta corrente in uscita, in genere i circuiti con transistor FET hanno una alta impedenza di uscita, cioè erogano correnti molto deboli.
Anche i FET come i transistor bipolari possono essere realizzati in due versioni complementari, a canale P fiancheggiato da regioni N o a canale N fiancheggiato da regioni P (come quello nella figura a lato); come nei bipolari il funzionamento è identico, ma a polarità invertite.
È talvolta chiamato J-FET (FET a giunzione) per distinguerlo dal MOS-FET
Diodo a giunzione
I diodi a giunzione
p-n sono dei diodi realizzati mediante processi metallurgici che prevedono la
diffusione di impurità di tipo accettore in cristalli di silicio
preventivamente drogati mediante atomi donori (o viceversa) e la loro
caratteristica tensione corrente è approssimabile tramite l'equazione del diodo
ideale di Shockley. La caratteristica tensione corrente del dispositivo è una
funzione non lineare; per valori di polarizzazione sufficientemente grandi
rispetto alla tensione termica ( a temperatura ambiente 26mV) vale la
ln(I/Io)=Vd/Vt. È necessario limitare la corrente condotta da un diodo affinché
non superi mai la massima corrente prevista per quello specifico diodo, oltre
la quale può verificarsi la rottura fisica del dispositivo.
I diodi a giunzione p-n reali hanno una caratteristica tensione corrente
analoga a quella ideale, con alcune differenze: quando polarizzati
inversamente, invece di impedire completamente il passaggio di corrente vengono
attraversati dalla Io, la corrente di saturazione inversa, il cui valore è
legato all'area del dispositivo ed alla concentrazioni del drogante. Con
l'aumentare del modulo della tensione inversa fino ad un certo valore (detto
tensione di Zener Vzk (come si può notare nel 3° e 4° quadrante della
caratteristica del diodo reale a lato), che può andare da alcuni Volt ad alcune
decine di Volt), la corrente aumenta in modulo molto rapidamente: tale regime
di funzionamento, detto regime di valanga o di breakdown per il modo di
generazione degli elettroni di conduzione all'interno del diodo, non è dannoso
per il componente finché la potenza dissipata rimane nei limiti tollerati: i
diodi Zener per esempio sono progettati espressamente per funzionare in regime
di valanga. Tuttavia, vista la caratteristica molto ripida, il funzionamento in
valanga nei normali diodi è molto pericoloso e porta in genere alla rottura del
componente.
Amplificatore operazionale
Un amplificatore operazionale è un amplificatore differenziale accoppiato in continua caratterizzato da un guadagno di tensione idealmente infinito ed una resistenza d'ingresso infinita.
Da tali ipotesi discendono due proprietà fondamentali:
La differenza tra le tensioni applicate in ingresso è nulla.
Le correnti di ingresso sono nulle.
Il nome è dovuto al fatto che con esso è possibile realizzare circuiti elettronici in grado di effettuare numerose operazioni matematiche: la somma, la sottrazione, la derivata, l'integrale, il calcolo di logaritmi e di antilogaritmi. Al giorno d'oggi l'amplificatore operazionale è, in genere, costituito da un circuito integrato.
Descrizione
In generale il
modello dell'amplificatore presenta due ingressi: uno definito invertente,
indicato con il simbolo '-', l'altro definito non invertente,
indicato con il simbolo '+', ed una uscita (figura A in alto a
destra).
L'impedenza di ingresso presenta un valore molto elevato, idealmente infinito,
mentre l'impedenza di uscita ha valore basso, idealmente nullo.
Il fatto che la resistenza d'ingresso sia infinita implica che l'amplificatore
non assorbe corrente da nessuno dei due terminali d'ingresso. Inoltre, il fatto
che la resistenza d'ingresso sia infinita e quella di uscita nulla, fa sì che
un amplificatore operazionale ideale sia un perfetto amplificatore di tensione.
Nella pratica questi valori, così come la banda passante e la frequenza massima
di lavoro, sono determinati dalle caratteristiche costruttive dei singoli
modelli di circuiti integrati.
La maggior parte degli amplificatori operazionali è progettata per lavorare con
una tensione di alimentazione duale, cioè con un valore positivo ed uno
negativo, simmetrici rispetto ad una massa, che può essere reale oppure
virtuale. Le due tensioni non necessariamente debbono avere lo stesso valore:
ad esempio la tensione positiva potrebbe essere di 15 volt, quella negativa di
7 volt, la versatilità di questi dispositivi è tale, che vi possono essere
applicazioni in cui la tensione negativa può essere posta a zero, ovvero, il
componente è alimentato da una tensione singola rispetto alla massa.
Nell'alimentazione duale, il livello del segnale in uscita, può spaziare tra i
due valori di tensione d'alimentazione, a meno di un piccolo margine, che può
variare a seconda del tipo di operazionale adottato.
Quando gli ingressi sono posti allo stesso valore di tensione (cioè
cortocircuitati), l'uscita dovrebbe idealmente assumere il potenziale della
massa. In realtà il valore diverge verso un estremo e la differenza di
potenziale che deve essere applicata tra gli ingressi per azzerare l'uscita, è
detta tensione di offset. In alcuni operazionali questa può essere corretta,
agendo su una coppia di pin supplementari. Esistono operazionali progettati per
lavorare con una tensione singola rispetto alla massa, uno fra i più diffusi è
l'LM358.
Dal punto di vista costruttivo, l'amplificatore operazionale può essere
realizzato con transistor a giunzione bipolare (BJT) oppure mosfet, che
lavorano a frequenze maggiori, con una impedenza di ingresso più elevata e un
minore consumo energetico. Il package può essere plastico, ceramico o metallico
e può contenere fino a 4 dispositivi identici.
![]() |
| Appunti su: schema microfono direzionale, massa fittizia operazionale, microfono transistor disegno, |
|
| Appunti Ingegneria tecnico | ![]() |
| Tesine costruzione | ![]() |
| Lezioni Gestione | ![]() |