![]() |
|
| Appunti tecniche |
|
| Visite: 1754 | Gradito: |
Leggi anche appunti:L'evoluzione dei mezzi di trasporto accorcia le distanze del viaggiatore: i motori termici ed elettriciL'EVOLUZIONE DEI MEZZI DI TRASPORTO ACCORCIA LE DISTANZE DEL VIAGGIATORE: I MOTORI Ciclo teorico e realeCiclo teorico e reale Tramite il movimento del pistone, la carica viene Sviluppo critico dell'idea di tempoSVILUPPO CRITICO DELL'IDEA DI TEMPO Il tempo, nel modello meccanicista, |
![]() |
![]() |
Geometrie analizzate
Nel presente capitolo sono descritte le caratteristiche geometriche del dominio di calcolo e dei corpi oggetto dell'analisi CFD.
La generazione delle superfici, necessarie per la costruzione delle griglie di calcolo, è stata eseguita utilizzando il software CAD parametrico Pro Engineer Wildfire 3.
1.1 Definizione del dominio di calcolo
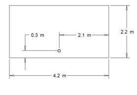
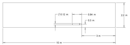
Le caratteristiche geometriche del dominio di calcolo sono riportate in figura 1.1 e in figura 1.2; al fine di rendere confrontabili i dati delle analisi numeriche con i dati derivanti da precedenti campagne di prova sperimentali [1], condotte all'interno della galleria del vento della Ferrari Auto S.p.A., è stato riprodotto il dominio di calcolo a partire dalle dimensioni della sezione di prova della galleria del vento.
Tenendo conto che la galleria del vento presenta una camera di prova a sezione semiaperta, la distanza tra le pareti laterali del dominio di calcolo è stata aumentata di 1 m, e la distanza tra il fondo e la parete superiore di 0.5 m (figura 1.3).
La lunghezza complessiva del dominio di calcolo, ovvero la distanza tra la sezione di ingresso del flusso e quella di uscita, è pari a 10 m, ed è tale da garantire il corretto sviluppo del campo aerodinamico all'interno del dominio di calcolo.
Figura 1.1 Dimensioni della sezione longitudinale del dominio di calcolo

Figura 1.2 Dimensioni della sezione trasversale del dominio di calcolo
Figura 1.3 Variazione della sezione trasversale del dominio di calcolo
1.2 Geometria del corpo
Per indagare gli effetti sulla resistenza dell'arrotondamento della parte posteriore del corpo assialsimmetrico oggetto di studio, sono state create sette diverse geometrie in cui è stato fatto variare soltanto il valore del raggio di raccordo tra la superficie verticale e quella cilindrica della parte posteriore del corpo.
Nella figura 1.4 sono riportate le zone in cui è stato suddiviso ciascun corpo per permettere, durante le successive analisi CFD, una corretta suddivisione dei contributi di resistenza di ciascuna zona.
Come si evince da tale figura, le forme che caratterizzano la parte anteriore (forebody) e la parte centrale del corpo (middlebody), che sono rispettivamente composte da un nose ellittico e dalla somma di una strip e un di body cilindrico, sono tali da garantire le minori perturbazioni possibili sul campo aerodinamico che interessa la parte posteriore del corpo (afterbody) [2].
Nella tabella 1.1, infine, sono presenti i parametri geometrici dei sette corpi analizzati con riferimento alle dimensioni caratteristiche riportate in figura 1.4.
Figura 1.4 Zone di suddivisione
|
ID |
L (m) |
d (m) |
Lf/d |
La/d |
Ls (m) |
r (m) |
r/d |
|
th01fa001 |
0.84 |
0.12 |
1.5 |
1 |
0.01 |
0 |
0 |
|
th01fa002 |
0.006 |
0.05 |
|||||
|
th01fa003 |
0.012 |
0.10 |
|||||
|
th01fa004 |
0.018 |
0.15 |
|||||
|
th01fa005 |
0.024 |
0.20 |
|||||
|
th01fa006 |
0.030 |
0.25 |
|||||
|
th01fa007 |
0.036 |
0.30 |
Tabella 1.1 Valori dei parametri geometrici
![]() |
| Appunti su: |
|
| Appunti Silvicoltura | ![]() |
| Tesine Automobile | ![]() |
| Lezioni Aeronautica | ![]() |