![]() |
|
| Appunti tecniche |
|
| Visite: 5188 | Gradito: |
Leggi anche appunti:Contatori: generalitàContatori: generalità Un contatore modulo n è una macchina che - Relazione di elettronicaRELAZIONE DI ELETTRONICA PREMESSE TEORICHE · L'energiaL'ENERGIA Energia, dal greco energheia (azione efficace), è il termine che dall'inizio |
![]() |
![]() |
Circuiti in corrente alternata
1. Introduzione
In questo studio si dimostra che nei circuiti in C.A. continuano ad essere valide le leggi di Kirchhoff. Ci occupiamo di circuiti in corrente (e tensione) variabile nel tempo in maniera sinusoidale.
Per cominciare consideriamo i casi più semplici:
Circuito puramente resistivo;
Circuito puramente capacitivo;
Circuito puramente induttivo;
In tutti i casi, il circuito è alimentato da una f.e.m. alternata del tipo:
![]()
N.B.: tutti i circuiti in seguito spiegati sono ideali poiché non tengono conto della resistenza interna del circuito (propria del filo e del generatore).
2.1 Circuito puramente resistivo
Un circuito puramente resistivo è formato da un generatore di f.e.m. alternata e da resistenze. Il circuito puramente resistivo più semplice è quello composto da una sola resistenza.
Se applichiamo il principio di Kirchhoff all'unica maglia esistente:
![]()
Di conseguenza:
![]()
Che cosa significa?
e
sono in fase: al massimo di una corrisponde il massimo
dell'altra e al minimo della prima il
minimo della seconda.
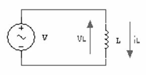
2.2 Circuito puramente induttivo
Un circuito puramente induttivo è formato da un generatore di f.e.m. alternata e da elementi induttori (bobine). Il circuito puramente induttivo più semplice è quello composto da una sola bobina.
Se applichiamo il principio di Kirchhoff all'unica maglia esistente:
![]()
Variando la corrente nell'induttanza si genera una f.e.m. indotta dovuta alla variazione del flusso magnetico attraverso la bobina. Quindi:
![]()
Se da qui vogliamo trovarci la corrente:
![]()
![]()
Poiché, per le formule degli archi associati:
![]()
Si ha:
![]()

Da ciò si deduce che la corrente ha lo
stesso periodo e la stessa frequenza della tensione, ma è in ritardo di 90°
rispetto a quest'ultima.
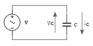
2.3 Circuito puramente capacitivo
Un circuito puramente capacitivo è formato da un generatore di f.e.m. alternata e da condensatori. Il circuito puramente capacitivo più semplice è quello composto da un solo condensatore.
Noi sappiamo che in un condensatore:
![]()
![]()
Se applichiamo il principio di Kirchhoff all'unica maglia esistente:
![]()
Per trovarci la corrente:
![]()
Deriviamo e otteniamo:
![]()
Poiché, per le formule degli archi associati:
![]()
Si ha:
![]()
Da ciò si deduce che la corrente ha lo stesso periodo e la stessa frequenza della tensione, ma è in anticipo di 90° rispetto a quest'ultima.

3. Impedenza
Diamo una visione d'insieme dei tre circuiti spiegati:
Circuito puramente resistivo
![]()
Circuito puramente induttivo
![]()
Circuito puramente capacitivo
![]()
Gli elementi in rosso al denominatore si chiamano impedenze. L'impedenza è una grandezza fisica vettoriale che rappresenta la forza di opposizione al passaggio di una corrente elettrica alternata.
![]()
![]()
![]()
Nella corrente continua l'impedenza rappresenta la resistenza elettrica: in alternata consiste nella generalizzazione della legge di Ohm.
4. Concetto di fasore
Per lo studio di grandezze che variano in modo sinusoidale nel tempo è utile usare i fasori.
Definizione: Il fasore è un numero complesso (e come tale, rappresentabile come vettore nel diagramma di Argand) equivalente a una funzione sinusoidale di pulsazione ben definita.
Cominciamo da una grandezza generica:
![]()
cos
Possiamo rappresentare tale
grandezza in un piano, ponendo il seno in ascissa e il coseno in ordinata:
è questo il vettore della
nostra grandezza sin
![]()
![]()
Se due grandezze hanno la stessa
, si può immaginare che girino
contemporaneamente. Proviamo adesso a rappresentare i fasori nei casi specifici
studiati:
Circuito puramente resistivo
![]()
![]()
Circuito puramente induttivo
![]()
![]()
Circuito puramente capacitivo
![]()
![]()
5. Circuiti con più elementi
Il concetto di fasore è necessario per lo studio di circuiti con più elementi. Di seguito tratteremo i più noti.
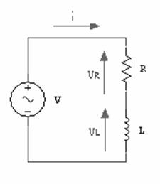
5.1 Circuito RL in serie
Il circuito RL in serie si compone di una resistenza e di una bobina posti in serie con un generatore di corrente alternata. Nello schema:
In fasori:
tensione applicata
![]()
![]()
![]()
![]()
Lo corrente è in ritardo rispetto
di un
angolo
![]()
![]()
![]()
![]()
Da ciò deduciamo che:
per frequenze basse il carattere induttivo scompare;
Per frequenze alte il carattere resistivo scompare;
Il
modulo della tensione risultante possiamo calcolarlo con i numeri complessi.
Rappresentando sul piano di Argand i fasori,
sarà la
componente immaginaria (
) e
quella reale.
![]()
![]()
![]()
Dove
è l'impedenza.
5.2 Circuito RLC in serie
Il circuito RLC in serie si compone di una resistenza, di una bobina e di un condensatore posti in serie con un generatore di corrente alternata.
Nello schema:
In fasori:
![]()
![]()
![]()
Nel circuito in esame si presentano tre casi:
![]()
![]()
![]()
![]()
![]()
In questa situazione:
![]()
![]()
![]()
![]()
![]()
![]()
![]()
In questa situazione:
![]()
![]()
In questa situazione,
e
sono in fase.
![]()
![]()
![]()
![]()
![]()
![]()
Poiché
l'impedenza del circuito è pari al valore della resistenza R;
la
corrente ha valore massimo dato da
La frequenza a cui si verifica tale condizione viene detta frequenza di risonanza (da ciò deriva l'appellativo di "circuito risonante" riferito al circuito RLC in serie)
Se la velocità angolare è
![]()
La frequenza di risonanza
sarà
![]()
La tensione in un circuito RLC in serie è data da:
![]()
![]()
![]()
![]() |
| Appunti su: circuiti in corrente alternata appunti, corrente alternata appunti, corrente alternata dispense, circuito induttivo riassunto, circuiti a corrente alternata puramente resistivo, |
|
| Appunti costruzione | ![]() |
| Tesine Gestione | ![]() |
| Lezioni Ingegneria tecnico | ![]() |