![]() |
|
| Appunti tecniche |
|
| Visite: 1877 | Gradito: |
Leggi anche appunti:Le mareeLe maree Sono oscillazioni periodiche del livello della superficie dell'oceano RELAZIONE D'ELETTRONICA - Rilievo della risposta di un filtro passa basso e passa altoRELAZIONE D'ELETTRONICA Rilievo della risposta di un filtro passa basso Convertitore I/VConvertitore I/V Nel caso si voglia convertire una corrente in una tensione, |
![]() |
![]() |
Scopo
Lo scopo della misurazione è rilevare la curva di risposta in frequenza del filtro passa basso RC.
Il filtro è composto da una resistenza avente valore di 1 kW ed un condensatore avente capacità 0,1 mF.
N° 1 Generatore
N° 1 Multimetro
N° 1 Oscilloscopio
N° 1 Basetta
N° 1 Condensatore da 0,1mF
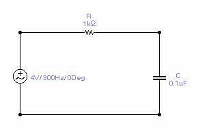
Il circuito di misura è stato realizzato come nello schema di figura 1.
Figura 1

In cui si nota che l'alimentazione è data da un generatore alternato a frequenza e tensione variabili. La tensione di uscita (Vc) è stata misurata con un multimetro, inoltre la tensione di uscita è anche stata visualizzata con un'oscilloscopio che con il canale 1 visualizzava anche la tensione di alimentazione.
La misura si è svolta nel seguente modo:
a. Si è impostato il valore della tensione di ingresso a 4 V con frequenza 300 Hz; sul multimetro si è letto la tensione di uscita V0= 3,93 V, sia il valore di ingresso che il valore di uscita erano visualizzati sull'oscilloscopio.
Si notava che ambedue erano sinusoidali e che avevano ampiezza pari a quella riportata in tabella.
b. Tenendo costante l'ampiezza del segnale di ingresso a 4 volt, si è variato il valore della frequenza fino a portarla a 800 Hz e in queste condizioni si è nuovamente misurato il valore della tensione di uscita che ha assunto il valore di 3,57 V; le due tensioni come nella fase precedente venivano osservate sull'oscilloscopio.
c. Si è continuato la misurazione come nelle fasi precedente tenendo costante a 4 V l'ampiezza della tensione di ingresso e variando la frequenza facendogli assumere tutti i valori riportati in tabella, in corrispondenza si sono letti i valori della tensione di uscita anch'essi riportati in tabella.
Sull'oscilloscopio si sono osservate continuamente le 2 tensioni di forma sinusoidale e si è notato pure che non erano in fase.
Con i dati misurati si è calcolato l'attenuazione del filtro in dB per ogni valore della frequenza misurata.
L'attenuazione si è calcolata mediante la formula:
A = 20*log V0
Vi
Per f = 0 Hz la misurazione non è stata effettuata, ma si desume che il valore della tensione di uscita è pari a quella di ingresso poiché a questa frequenza il condensatore presenta un reattanza altissima per cui non circola corrente nel circuito e la caduta di tensione ai capi della resistenza è 0.
Con i valori di frequenza e attenuazione disponibili in tabella si è costituito il grafico riportante in ascissa la frequenza ed in ordinata l'attenuazione; tale grafico prende il nome di curva di risposta in frequenza del filtro passa basso.
Tabella

Grafico
Vedi foglio allegato Grafico 1
Osservando il grafico si nota che esso corrisponde alle aspettative teoriche, infatti si nota che l'attuazione è bassa per le basse frequenze ed è alta per le alte frequenze.
La frequenza di taglio a -3 dB vale 1590 Hz ; mentre quella calcolata mediante la formula:
f = 1___
2p rc
è pari a 1592 Hz.
Il comportamento da filtro passa basso è dovuto al condensatore, il quale ha una reattanza Xc che diminuisce all'aumentare della frequenza.
Xc = __1__
2p fc
Siccome la tensione di uscita del filtro è in realtà la tensione ai capi del condensatore, si ha che questa diminuisce all'aumentare della frequenza.
V0 = Vc= I * Xc
I valori accettabili della tensione di uscita sono quelli ottenuti per valori della frequenza compresi tra 0 Hz e la frequenza di taglio, che come detto , vale 1590 Hz (valore misurato); gli altri valori ottenuti per frequenza maggiore della frequenza di taglio non sono accettabili, per cui si dice che non passano.
Per quanto riguarda il filtro passa alto il circuito di misura è stato realizzato come nello schema di figura 2.
figura 2
In questo circuito si nota che l'alimentazione è data da un generatore alternato a frequenza e tensione variabili. La tensione di uscita (Vr) è stata misurata con un multimetro, inoltre la tensione di uscita è anche stata visualizzata con un'oscilloscopio che con il canale 1 visualizzava anche la tensione di alimentazione.
La misura si è svolta nel seguente modo:
c. Si è impostato il valore della tensione di ingresso a 4 V con frequenza 300 Hz; sul multimetro si è letto la tensione di uscita V0= 0,74 V, sia il valore di ingresso che il valore di uscita eranao visualizzati sull'oscilloscopio.
Si notava che ambedue erano sinusoidali e che avevano ampiezza pari a quella riportata in tabella.
d. Tenendo costante l'ampiezza del segnale di ingresso a 4 volt, si è variato il valore della frequenza fino a portarla a 800 Hz e in queste condizioni si è nuovamente misurato il valore della tenzsione di uscita che ha assunto il valore di 1,74 V; le due tensioni come nella fase precedente venivano osservate sull'oscilloscopio.
c. Si è continuato la misurazione come nelle fasi precedente tenendo costante a 4 V l'ampiezza della tensione di ingresso e variando la frequenza facendogli assumere tutti i valori riportati in tabella, in corripondenza si sono letti i valori della tensione di uscita anch'essi riportati in tabella.
Sull'oscilloscopio si sono osservate continuamente le 2 tensioni di forma sinusoidale e si è notato pure che non erano in fase.
Con i dati misurati si è calcolato l'attenuazione del filtro in dB per ogni valore della frequenza misurata.
L'attenuazione si è calcolata mediante la formula:
A = 20*log V0
Vi
Per f = 0 Hz la misurazione non è stata effetuata ma si desume che il valore della tensione di uscita è pari a 0, perché a questa frequenza il condensatore presenta una reattanza altissima per cui non circola corrente nel circuito e la caduta di tensione ai capi della resistenza, cioè la tensione di uscità, è 0.
Con i valori di frequenza e attenuazione disponibili in tabella si è costituito il grafico riportante in ascissa la frequenza ad in ordinata l'attenuazione; tale grafico prende il nome di curva di risposta in frequenza del filtro passa alto.
tabella

Grafico
Vedi foglio allegato Grafico 2
Osservando il grafico si nota che esso corrisponde alle aspettative teoriche, infatti si nota che l'attuazione è alta per le basse frequenze (da 0 a ft) ed è bassa per le alte frequenze (f>ft).
La frequenza di taglio a -3 dB vale 1590 Hz ; mentre quella calcolata mediante la formula:
f = 1___
2p rc
è pari a 1592 Hz.
Il comportamento da filtro passa alto è dovuto al condensatore, il quale ha una reattanza Xc che diminuisce all'aumentare della frequenza.
Xc = __1__
2p fc
Nel filtro passa alto la tensione di uscita è quella ai capi della resistenza del circuito CR ovvero
VR=Vi-Vc
Siccome all'aumentare della frequenza Xc e quindi Vc diminuiscono aumenta la Vr.
La vr alla frequenza di 0 Hz è 0, e a frequenza molto alta assume il valore di Vi.
I valori della tensione di uscita ottenuti per le frequenze comprese tra 0 e ft non sono accettabili, mentre lo sono quelli ottenuti per le frequenze maggiori della frequenza di taglio, per cui il filtro si chiama passa alto.
Inoltre si è osservato una piccola differenza tra il valore misurato e quello calcolato della frequenza di taglio.
Tale differenza è sicuramente incutabile alla tolleranza dei componenti passivi del filtro e agli errori di misurazione.
Si nota, in fine, che i grafici ottenuti si avvicinano all'andamento del diagramma di Boude per le attenuazioni.
![]() |
| Appunti su: |
|
| Appunti costruzione | ![]() |
| Tesine Ingegneria tecnico | ![]() |
| Lezioni Gestione | ![]() |