![]() |
|
| Visite: 6957 | Gradito: |
Leggi anche appunti:Filosofia come esercizio di formazione di se'FILOSOFIA COME ESERCIZIO DI FORMAZIONE DI SE' Cavell e la tradizione analitica Cavell Prova in corto su trasformatore trifaseProva in corto su trasformatore trifase Schema di principio dell'inserzione: Legenda A La "verita'" dello scetticismo come "cifra" del pedagogicoLA "VERITA'" DELLO SCETTICISMO COME "CIFRA" DEL PEDAGOGICO Linguaggio ordinario |
![]() |
![]() |
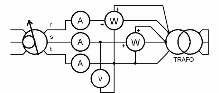
Prova in corto su trasformatore trifase
Schema di principio dell'inserzione:

Legenda
A amperometri
V voltmetro
W wattmetri in Aron
MATG motore asincrono trifase utilizzato come generatore di tensione variabile
TRAFO trasformatore in prova
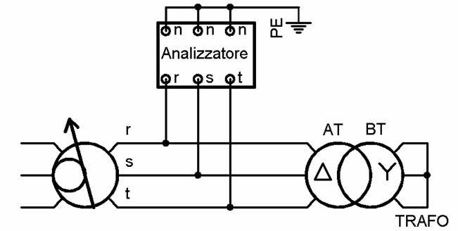
Note: per la prova in corto si è voluto utilizzare uno schema di inserzione diverso da quello qui sopra esposto: l'apparto di misura infatti è stato sostituito con un analizzatore di rete al fine di ridurre il numero di strumenti e facilitare la raccolta dei dati (che in questo caso sono stampati su uno scontrino). Lo schema utilizzato è riportato nella pagina seguente

Scopo: Effettuazione della prova in corto su un trasformatore trifase e calcolo dei parametri longitudinali del circuito equivalente (riportato al primario).
Cenni teorici: La prova in corto circuito di un trasformatore permette la determinazione delle perdite negli avvolgimenti (rappresentabili mediante una resistenza che tiene conto delle perdite sugli avvolgimenti e una reattanza che tiene conto del flusso disperso dagli avvolgimenti) e anche della tensione di cortocircuito (e relativo fattore di potenza). Tale prova viene eseguita chiudendo in corto circuito gli avvolgimenti di uno stesso lato della macchina (lato At o lato BT) e alimentando la macchina con una tensione in grado di far scorrere negli avvolgimenti la corrente nominale. Tale tensione viene detta di cortocircuito. Tale differenza di potenziale va in genere dal 4% al 10% della tensione nominale. Data la ridotta tensione applicata, si avrà di conseguenza una ridotta corrente magnetizzante e un flusso nel nucleo di valore altrettanto piccolo. Da questo ne consegue che l'intera potenza assorbita Pcc corrisponde alle sole perdite nei due avvolgimenti, il che permette di calcolarne la resistenza equivalente complessiva. Inoltre essendo nulla la tensione sui morsetti secondari chiusi in corto circuito si ha che l'intera tensione applicata ai morsetti primari corrisponde alle sole cadute di tensione interne dei due avvolgimenti. Quindi in base alla tensione Ucc di corto circuito si può calcolare l'impedenza equivalente del trasformatore, che permette di determinare la caduta di tensione da vuoto a carico. Per quanto riguarda gli aspetti pratici della prova, questa può essere eseguita alimentando indifferentemente il lato AT piuttosto che il lato BT: la scelta è dettata da ragioni di comodità dovute all'ordine di grandezza di tensioni e soprattutto correnti nominale primaria e secondaria. La misura va eseguita rapidamente, al fine di garantire che il riscaldamento non induca errori durante la prova.
Scelta delle apparecchiature:
Analizzatore di rete trifase
EL Control Energy
Mod. MK3
N° 15329
Trasformatore in prova:
Trasformatore trifase CRdA YY
Tipo AT115
N°4064
Anno 1964
Sn 10kVA
Primario 220V 27.6A
Secondario 60 - 600V 97 - 7.7A
Esecuzione della prova: Si procede con il cablaggio del circuito, partendo dal circuito amperometrico, e derivando poi le 3 fasi da connettere all'analizzatore di rete. Tale apparecchiatura è provvista di sei terminali: 3 corrispondono agli ingressi delle fasi R, S, T e gli altri tre alle uscite; questi ultimi sono stati connessi a terra. Si procede quindi con la prova. Tale prova va eseguita partendo già da valori prossimi se non addirittura corrispondenti alla Ucc; si proseguirà quindi riducendo la tensione a valori via via inferiori, ed effettuando di volta in volta le rilevazioni (sarà necessario solamente dare l'apposito comando all'analizzatore di rete per avere la stampa dei dati). La tensione verrà variata agendo sulla manovella posta sul motore asincrono trifase utilizzato come generatore di tensione variabile. I dati raccolti durante la prova sono raccolti nella seguente tabella:
|
R |
S |
T |
|||||||||
|
A |
V |
cos |
W |
A |
V |
cos |
W |
A |
V |
cos |
W |
|
|
|
|
|
|
|
|
|
|
|
|
|
|
|
|
|
|
|
|
|
|
|
|
|
|
|
|
|
|
|
|
|
|
|
|
|
|
|
|
|
|
|
|
|
|
|
|
|
|
|
|
|
|
|
|
|
|
|
|
|
|
|
|
|
|
W |
|||
|
A |
V |
cos |
W |
|
|
|
|
|
|
|
|
|
|
|
|
|
|
|
|
|
|
|
|
|
|
|
|
|
Nota la colonna W (riportata qui sopra) raccoglie i dati medi delle grandezze sulle fasi R, S, T; inoltre la tensione V è la concatenata della media tra le stellate sulle fasi R, S, T
Innanzitutto da tali dati possiamo calcolare la tensione di cortocircuito del trasformatore mediante la seguente formula:
Ucc% = 100*U1cc/U1n
Dove U1cc è la tensione di cortocircuito e U1n la tensione nominale di targa della macchina; si ha quindi (visto che U1n = 600V e U1cc = 27.63V secondo l'ultima tabella qui sopra):
Ucc% = 4.6%
È poi possibile calcolare la Pcc%; infatti si ha che:
Pcc% = Pcc*100/Sn
Quindi essendo Sn =10kVA (dai dati di targa del trasformatore):
Pcc% = 2.813%
L'impedenza equivalente primaria si può calcolare nel seguente modo:
Ze' = U1cc/( 3*I1n) = 1.64
Mentre la Re' sarà data da:
Re' = Ze'*cos cc = 1.64*0.604 = 0.99
E quindi:
Xe' = (Ze' - Re'
Conclusioni ed osservazioni:
Nel seguente grafico sono riportate le grandezze (medie), raccolte durante la prova, in funzione della corrente I1:
Come si evince dal grafico la curva della potenza persa in corto circuito Pcc risulta parabolica perché la potenza è proporzionale al quadrato della corrente, mentre le restanti due curve risultano lineari in quanto l'impedenza del trasformatore si mantiene praticamente costante. Dai calcoli si è giunti alla determinazione dei parametri longitudinali del trasformatore e della tensione di cortocircuito e potenza di cortocircuito percentuali:
Re' = 0.99
Xe' = 1.3 Ω
Ze' = 1.64 Ω
Pcc% = 2.81%
Ucc% = 4.6%
![]() |
| Appunti su: https:wwwappuntimaniacomumanisticheeducazione-pedagogiaprova-in-corto-su-trasformator55php, |
|
| Appunti Logica | ![]() |
| Tesine Risorse umane | ![]() |
| Lezioni Giornalismo stampa | ![]() |